ВНИМАНИЕ! Это решение идёт как второй способ к решению Д19-16. Поэтому решение без рисунка!
Рисунок есть в поиске выше "Решение задачи Д19-16 из сборника Яблонского А.А."
Задача Д19-16_Лагранж.tif
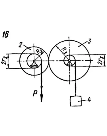
Для заданной механической системы определить ускорения грузов и натяжения в ветвях нитей, к которым прикреплены грузы. Массами нитей пренебречь. Трение качения и силы сопротивления в подшипниках не учитывать. Система движется из состояния покоя.
Варианты механических систем показаны на рис. 198 - 200, а необходимые для решения данные приведены в табл. 55.
Блоки и катки, для которых радиусы инерции в таблице не указаны, считать сплошными однородными цилиндрами.
Рисунок есть в поиске выше "Решение задачи Д19-16 из сборника Яблонского А.А."
Задача Д19-16_Лагранж.tif
Для заданной механической системы определить ускорения грузов и натяжения в ветвях нитей, к которым прикреплены грузы. Массами нитей пренебречь. Трение качения и силы сопротивления в подшипниках не учитывать. Система движется из состояния покоя.
Варианты механических систем показаны на рис. 198 - 200, а необходимые для решения данные приведены в табл. 55.
Блоки и катки, для которых радиусы инерции в таблице не указаны, считать сплошными однородными цилиндрами.
Решение Д19-16 методом Лагранжа из сборника Яблонского
- Продавец: Михаил_Перович
- Модель: 2892018
- Наличие: Есть в наличии
-
25р.




