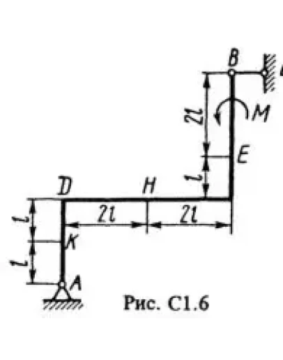
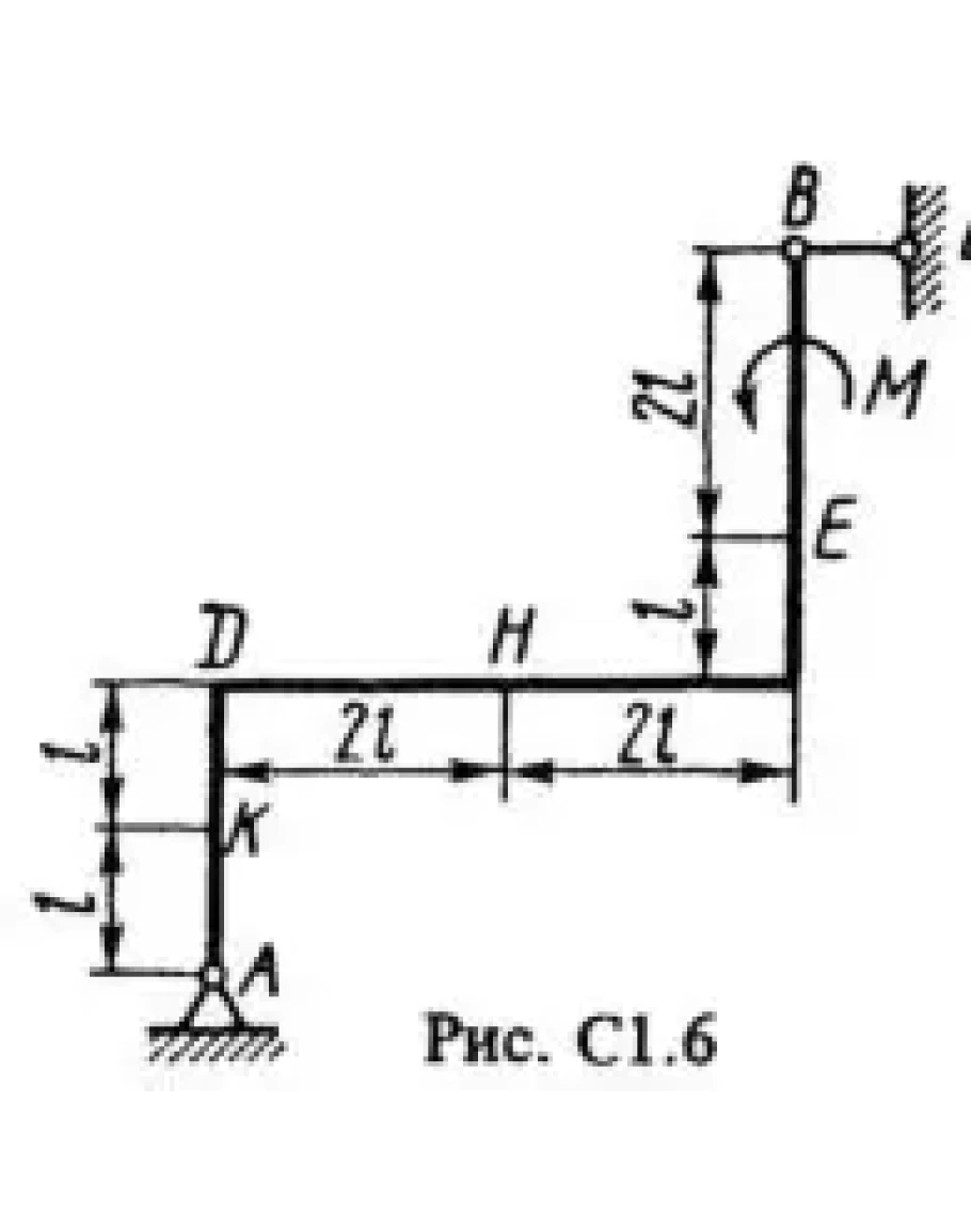
Решение С1-65 (Рисунок С1.6 условие 5 С.М. Тарг 1988 г)

Жесткая рама, расположенная в вертикальной плоскости (рис. С1.0 — С1.9, табл. С1), закреплена в точке А шарнирно, а в точке В прикреплена или к невесомому стержню ВВ1, или к шарнирной опоре на катках; стержень прикреплен к раме и к неподвижной опоре шарнирами. На раму действуют пара сил с моментом М = 100 кН·м и две силы, значения, направления и точки приложения которых указаны в таблице (например, в условиях № 1 на раму действует сила F1 = 10 Н под углом 30° к горизонтальной оси, приложенная в точке K и сила F4 = 40 Н под углом 60° к горизонтальной оси, приложенная в точке H, и т. д.). Определить реакции связей в точках A, В, вызываемые заданными нагрузками. При окончательных расчетах принять l = 0,5 м.

Написать отзыв

Примечание: HTML разметка не поддерживается! Используйте обычный текст.
   Плохо           Хорошо

Решение С1-65 (Рисунок С1.6 условие 5 С.М. Тарг 1988 г)

  • 50р.

Рекомендуемые