Решение С1-93 (Рисунок С1.9 условие 3 С.М. Тарг 1989 г)
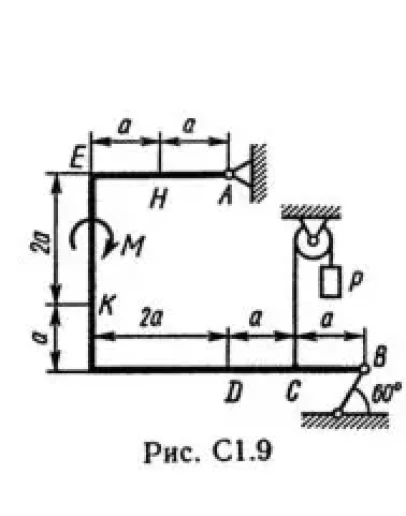
Жесткая рама, расположенная в вертикальной плоскости (рис. С1.0 — С1.9, табл. С1), закреплена в точке А шарнирно, а в точке В прикреплена или к невесомому стержню с шарнирами на концах, или к шарнирной опоре на катках. В точке С к раме привязан трос, перекинутый через блок и несущий на конце груз весом Р = 25 кН. На раму действуют пара сил с моментом М = 100 кН·м и две силы, значения, направления и точки приложения которых указаны в таблице (например, в условиях № 1 на раму действует сила F2 под углом 15° к горизонтальной оси, приложенная в точке D и сила F3 под углом 60° к горизонтальной оси, приложенная в точке E, и т. д.). Определить реакции связей в точках A, В, вызываемые действующими нагрузками. При окончательных расчетах принять а = 0,5 м.
Жесткая рама, расположенная в вертикальной плоскости (рис. С1.0 — С1.9, табл. С1), закреплена в точке А шарнирно, а в точке В прикреплена или к невесомому стержню с шарнирами на концах, или к шарнирной опоре на катках. В точке С к раме привязан трос, перекинутый через блок и несущий на конце груз весом Р = 25 кН. На раму действуют пара сил с моментом М = 100 кН·м и две силы, значения, направления и точки приложения которых указаны в таблице (например, в условиях № 1 на раму действует сила F2 под углом 15° к горизонтальной оси, приложенная в точке D и сила F3 под углом 60° к горизонтальной оси, приложенная в точке E, и т. д.). Определить реакции связей в точках A, В, вызываемые действующими нагрузками. При окончательных расчетах принять а = 0,5 м.
Решение С1-93 (Рисунок С1.9 условие 3 С.М. Тарг 1989 г)
- Продавец: Михаил_Перович
- Модель: 2084660
- Наличие: Есть в наличии
-
50р.





