Решение С1-97 (Рисунок С1.9 условие 7 С.М. Тарг 1988 г)
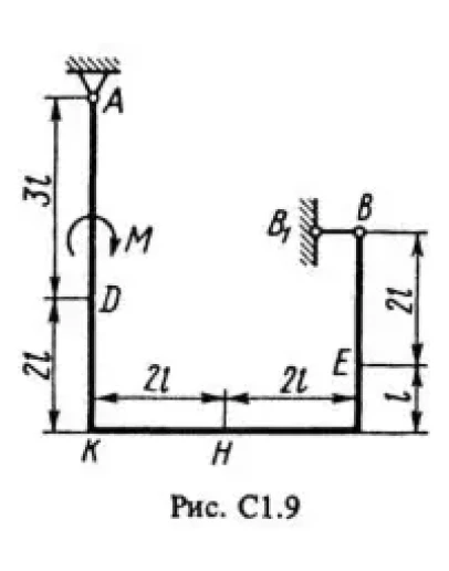
Жесткая рама, расположенная в вертикальной плоскости (рис. С1.0 — С1.9, табл. С1), закреплена в точке А шарнирно, а в точке В прикреплена или к невесомому стержню ВВ1, или к шарнирной опоре на катках; стержень прикреплен к раме и к неподвижной опоре шарнирами. На раму действуют пара сил с моментом М = 100 кН·м и две силы, значения, направления и точки приложения которых указаны в таблице (например, в условиях № 1 на раму действует сила F1 = 10 Н под углом 30° к горизонтальной оси, приложенная в точке K и сила F4 = 40 Н под углом 60° к горизонтальной оси, приложенная в точке H, и т. д.). Определить реакции связей в точках A, В, вызываемые заданными нагрузками. При окончательных расчетах принять l = 0,5 м.
Жесткая рама, расположенная в вертикальной плоскости (рис. С1.0 — С1.9, табл. С1), закреплена в точке А шарнирно, а в точке В прикреплена или к невесомому стержню ВВ1, или к шарнирной опоре на катках; стержень прикреплен к раме и к неподвижной опоре шарнирами. На раму действуют пара сил с моментом М = 100 кН·м и две силы, значения, направления и точки приложения которых указаны в таблице (например, в условиях № 1 на раму действует сила F1 = 10 Н под углом 30° к горизонтальной оси, приложенная в точке K и сила F4 = 40 Н под углом 60° к горизонтальной оси, приложенная в точке H, и т. д.). Определить реакции связей в точках A, В, вызываемые заданными нагрузками. При окончательных расчетах принять l = 0,5 м.
Решение С1-97 (Рисунок С1.9 условие 7 С.М. Тарг 1988 г)
- Продавец: Михаил_Перович
- Модель: 2120780
- Наличие: Есть в наличии
-
57р.





