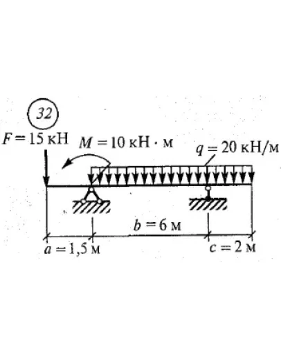
Решение задания для самостоятельной работы 2 вариант 32 из сборника по теХнической механике Сеткова В.И.:
Определить опорные реакции балки на двух опорах по данным одного из вариантов, показанных на рисунке.
Проверить правильность их определения.
(Решение выполнено в формате .JPG)
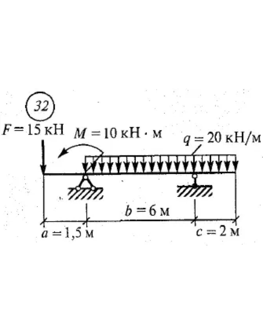
Определить опорные реакции балки на двух опорах по данным одного из вариантов, показанных на рисунке.
Проверить правильность их определения.
(Решение выполнено в формате .JPG)
Решение самостоятельной работы 2 вариант 32 Сетков В.И.
- Продавец: Михаил_Перович
- Модель: 3031934
- Наличие: Есть в наличии
-
100р.




