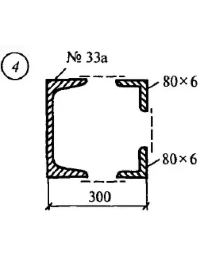
Решение задания для самостоятельной работы 3 вариант 4 из сборника по теХнической механике Сеткова В.И.:
Определить координаты центра тяжести сечения по данным одного из вариантов, показанных на рис.
Показать положение центра тяжести на сечении.
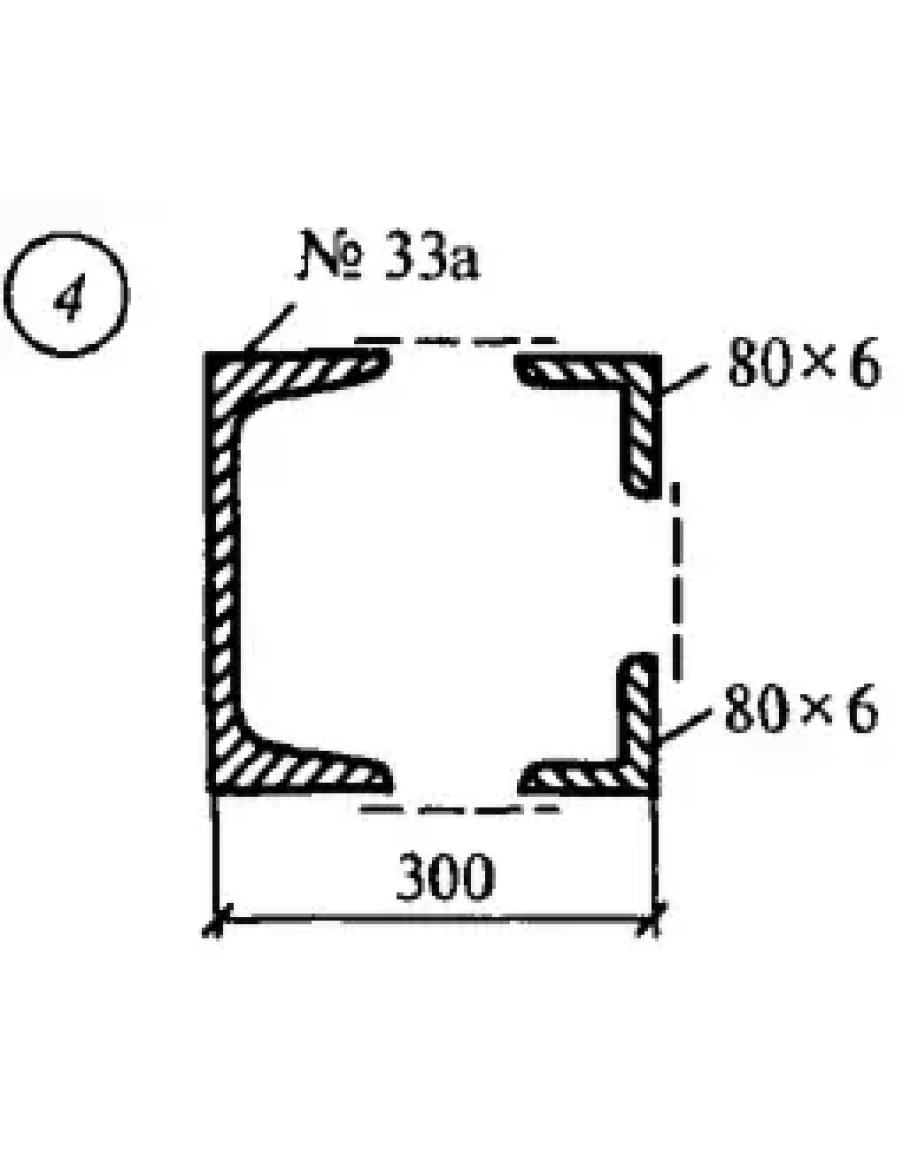
Определить координаты центра тяжести сечения по данным одного из вариантов, показанных на рис.
Показать положение центра тяжести на сечении.
Решение самостоятельной работы 3 вариант 4 Сетков В.И.
- Продавец: Михаил_Перович
- Модель: 2510832
- Наличие: Есть в наличии
-
111р.




