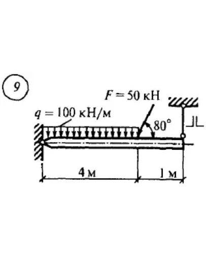
Решение задания для самостоятельной работы 4 вариант 9 из сборника по теХнической механике Сеткова В.И.:
Подобрать сечение стержня-подвески (или колонны), поддерживающего брус AB по данным одного из вариантов, приведенных на рис.
Материал стержня для фасонных профилей - прокатная сталь С-245, для круглого сечения - сталь арматурная горячекатанная класса А-1
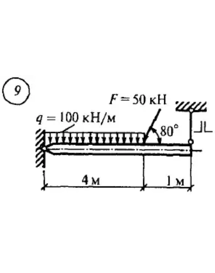
Подобрать сечение стержня-подвески (или колонны), поддерживающего брус AB по данным одного из вариантов, приведенных на рис.
Материал стержня для фасонных профилей - прокатная сталь С-245, для круглого сечения - сталь арматурная горячекатанная класса А-1
Решение самостоятельной работы 4 вариант 9 Сетков В.И.
- Продавец: Михаил_Перович
- Модель: 2510914
- Наличие: Есть в наличии
-
100р.




