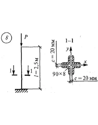
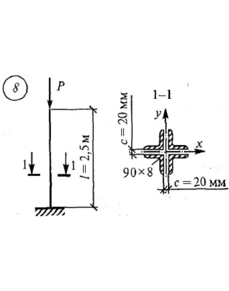
Решение задания для самостоятельной работы 7 вариант 8 из сборника по теХнической механике Сеткова В.И.:
Определить величину допускаемого значения центрально-сжимающей силы по данным одного из вариантов, показанных на рис. Для нечетных вариантов материал для стержня - алюминий марки АМг2М, для четных - сталь марки С-345
Определить величину допускаемого значения центрально-сжимающей силы по данным одного из вариантов, показанных на рис. Для нечетных вариантов материал для стержня - алюминий марки АМг2М, для четных - сталь марки С-345
Решение самостоятельной работы 7 вариант 8 Сетков В.И.
- Продавец: Михаил_Перович
- Модель: 3117614
- Наличие: Есть в наличии
-
220р.




