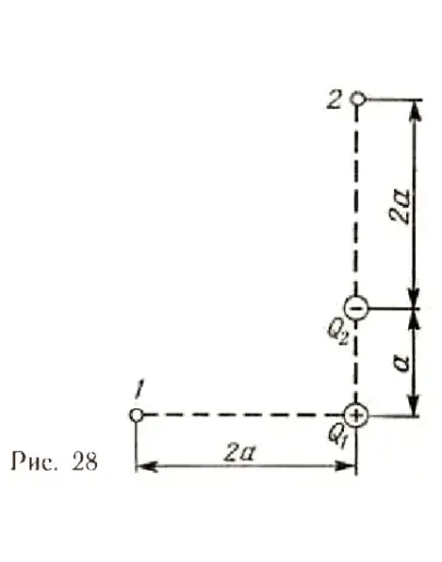
333. Электрическое поле создано зарядами Q1 = 2 мкКл и Q2 = -2 мкКл, находящимися на расстоянии a = 10 см друг от друга, определить работу сил поля, совершаемую при перемещении заряда Q = 0,5 мкКл из точки 1 в точку 2 (рис. 28).
Решение задачи 333 из методички Чертова для заочников
- Продавец: Михаил_Перович
- Модель: 3042951
- Наличие: Есть в наличии
-
10р.




