Михаил_Перович
Решение задачи 11.5.4 из сборника Кепе О.Э.
11.5.4Точка М движется с постоянной скоростью v = 2 м/с но кольцу радиуса r = 0,5 м, который вращае..
60р.
Решение задачи 11.5.5 из сборника Кепе О.Э.
11.5.5Катушка вращается вокруг оси ОО1 с угловой скоростью ω = 2 рад/с. Вдоль катушки перемещается ..
60р.
Решение задачи 11.5.6 из сборника Кепе О.Э.
11.5.6По стороне треугольника, вращающегося вокруг стороны АВ с угловой скоростью ω, движется точка ..
60р.
Решение задачи 11.5.7 из сборника Кепе О.Э.
11.5.7По стороне треугольника, вращающегося вокруг стороны АВ с угловой скоростью ω, движется точка ..
60р.
Решение задачи 11.5.8 из сборника Кепе О.Э.
11.5.8По диаметру диска, вращающегося вокруг оси Oz, движется точка М с относительной скоростью vr =..
60р.
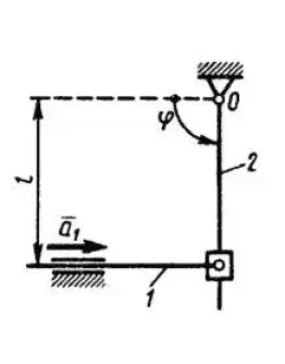
Решение задачи 11.5.9 из сборника Кепе О.Э.
11.5.9Стержень 1 кулисного механизма движется с постоянным ускорением а1 = 2 м/с2. Определить углов..
60р.
Решение задачи 110 из методички Чертова для заочников
110. Точка движется по окружности радиусом R = 30 см с постоянным угловым ускорением ε. Определить т..
11р.
Решение задачи 110 сборника по общей химии Глинка Н.Л.
110. Вычислить массу азота, содержащегося в 1 кг: а) калийной селитры KNO3; б) аммиачной селитры NH4..
25р.
Решение задачи 110 сборника по химии Шиманович И.Е 2003
110. При какой температуре наступит равновесие системы: СН4(г) + СО2(г) = 2СО(г) + 2Н2(г); Н = +247,..
25р.
Решение задачи 1100 сборника по общей химии Глинка Н.Л.
1100. Можно ли приготовить раствор, который содержал бы одновременно Sn2+ и Hg2+; Sn2+ и Fe3+; SO32-..
25р.
Решение задачи 1101 сборника по общей химии Глинка Н.Л.
1101. Закончить уравнения реакций:а) KMnO4+K2SO3+H2SO4→б) KMnO4+K2SO3+H2O→в) KMnO4+K2SO3+KOH→г) KMnO..
25р.
Решение задачи 1102 сборника по общей химии Глинка Н.Л.
1102. Закончить уравнения реакций:а) KMnO4+HCl(конц.)→б) KMnO4+H2S+H2O→в) MnO2+HCl(конц.)→г) KMnO4+K..
27р.
Решение задачи 1103 сборника по общей химии Глинка Н.Л.
1103. Закончить уравнения реакций:а) KMnO4+MnSO4+H2O→б) MnSO4+NaBrO3+HNO3→в) MnSO4+Br2+NaOH→г) K2MnO..
25р.
Решение задачи 1104 сборника по общей химии Глинка Н.Л.
1104. Каково соотношение pH изомолярных растворов Sn(NO3)2 (pH1) и Pb(NO3)2 (pH2): а) pH1>pH2; б) pH..
25р.
Решение задачи 1105 сборника по общей химии Глинка Н.Л.
1105. Каково соотношение степеней гидролиза h для изомолярных растворов CrCl2 (h1) и CrCl3 (h2): а) ..
25р.










