Михаил_Перович
Решение задачи 119 из методички Чертова для заочников
119. На сколько переместится относительно берега лодка длиной l = 3,5 м и массой m1 = 200кг, если ст..
11р.
Решение задачи 119 сборника по общей химии Глинка Н.Л.
119. Сколько граммов NaCl можно получить из 265 г Na2CO3?..
25р.
Решение задачи 119 сборника по химии Шиманович И.Е 2003
119. Вычислите, при какой температуре начнется диссоциация пентахлорида фосфора, протекающая по урав..
27р.
Решение задачи 12 сборника по общей химии Глинка Н.Л.
12. 1,60 г кальция и 2,61 г цинка вытесняют из кислоты одинаковые количества водорода. Вычислить экв..
25р.
Решение задачи 12 сборника по химии Шиманович И.Е 2003
12. Напишите уравнения реакций Fе(ОН)3 с хлороводородной (соляной) кислотой, при которых образуются ..
25р.
Решение задачи 12.1.3 из сборника Кепе О.Э.
12.1.3Автомобиль двигается со скоростью v1 = 3,6 км/ч, а монтажная вышка поднимается со скоростью v2..
76р.
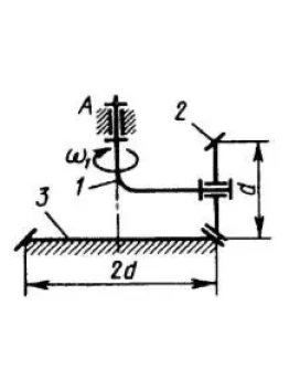
Решение задачи 12.2.2 из сборника Кепе О.Э.
12.2.2На изогнутой оси 1, которая вращается в шарнире А с угловой скоростью ω1= 6 рад/с, свободно вр..
70р.
Решение задачи 120 из методички Чертова для заочников
120. Лодка длиной l = 3 м и массой m = 120 кг стоит на спокойной воде. На носу и корме находятся два..
11р.
Решение задачи 120 сборника по общей химии Глинка Н.Л.
120. При пропускании над катализатором смеси, состоящей из 10 молей SO2 и 15 молей O2, образовалось ..
25р.
Решение задачи 120 сборника по химии Шиманович И.Е 2003
120. Вычислите изменение энтропии для реакций, протекающих по уравнениям: 2СН4(г) = С2Н2(г) + 3Н2(г..
25р.
Решение задачи 121 из методички Чертова для заочников
121. В подвешенный на нити длиной l = 1,8 м деревянный шар массой m2 = 0,8 кг попадает горизонтально..
11р.
Решение задачи 121 сборника по общей химии Глинка Н.Л.
121. Смешано 7,3 г HCl с 4,0 г NH3. Сколько граммов NH4Cl образуется? Найти массу оставшегося после ..
25р.
Решение задачи 121 сборника по химии Шиманович И.Е 2003
121. Окисление серы и ее диоксида протекает по уравнениям: а) S(к) + O2 =SO2(к); б) 2SO2(г) + O2 ..
25р.
Решение задачи 122 из методички Чертова для заочников
122. По небольшому куску мягкого железа, лежащему на наковальне массой m1 = 300 кг, ударяет молот ма..
11р.
Решение задачи 122 сборника по общей химии Глинка Н.Л.
122. Какой объем воздуха потребуется для сжигания 1 м3 газа, имеющего следующий состав по объему: 50..
25р.






