Михаил_Перович
Решение задачи 16 сборника по химии Шиманович И.Е 2003
16. При окислении 16,74 г двухвалентного металла образовалось 21,54 г оксида. Вычислите эквивалентны..
25р.
Решение задачи 16.1.1 из сборника Кепе О.Э.
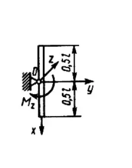
16.1.1По заданному уравнению вращения ? = 5 t2 - 2 пластинки, осевой момент инерции которой Iz = 0,1..
100р.
Решение задачи 16.1.10 из сборника Кепе О.Э.
16.1.10Однородный стержень, масса которого m = 2 кг и длина AВ = 1 м, вращается вокруг оси Оz под де..
60р.
Решение задачи 16.1.11 из сборника Кепе О.Э.
16.1.11Определить угловое ускорение диска радиуса r = 0,3 м массой m = 50 кг, если натяжения ведущей..
100р.
Решение задачи 16.1.12 из сборника Кепе О.Э.
16.1.12Определить угловое ускорение однородного тонкого диска радиуса R = 0,6 м, массой 4 кг, вращаю..
100р.
Решение задачи 16.1.13 из сборника Кепе О.Э.
16.1.13Определить угловое ускорение однородного стержня массой m = 4 кг и длиной l = 1 м, вращающего..
60р.
Решение задачи 16.1.14 из сборника Кепе О.Э.
16.1.14Определить угловое ускорение вращения вокруг оси Oz однородного стержня массой m = 3 кг и дли..
60р.
Решение задачи 16.1.15 из сборника Кепе О.Э.
16.1.15Однородный стержень, масса которого m = 8 кг и длина AВ = 1,5 м, вращается вокруг оси Oz под ..
100р.
Решение задачи 16.1.16 из сборника Кепе О.Э.
16.1.16При разгоне на ротор двигателя действует пара сил с моментом М = 100(1 - ?/200). Определить м..
100р.
Решение задачи 16.1.17 из сборника Кепе О.Э.
16.1.17На этапе разгона на ротор двигателя действует пара сил с моментом М = 40(1 - t/10). Определит..
100р.
Решение задачи 16.1.18 из сборника Кепе О.Э.
16.1.18Однородный диск радиуса r = 0,1 м под действием силы тяжести начинает вращение в вертикальной..
100р.
Решение задачи 16.1.19 из сборника Кепе О.Э.
16.1.19Однородная прямоугольная плита 1 массой m укреплена с помощью петель А и В и удерживается в г..
60р.
Решение задачи 16.1.2 из сборника Кепе О.Э.
16.1.2По заданному уравнению вращения ? = 2(t2 + 1) наклонного стержня с осевым моментом инерции Iz ..
100р.
Решение задачи 16.1.20 из сборника Кепе О.Э.
16.1.20Усеченный конус массой m = 4 кг вращается с угловым ускорением ? = 6 рад/с2 вокруг нецентраль..
100р.
Решение задачи 16.1.21 из сборника Кепе О.Э.
16.1.21Определить относительно оси z момент инерции ротора, закрепленною на консоли АО и совершающег..
60р.












