Михаил_Перович
Решение задачи 17.2.9 из сборника Кепе О.Э.
17.2.9Определить главный момент сил инерции однородного диска радиуса r = 0,2 м массой m = 2 кг отно..
100р.
Решение задачи 17.3.1 из сборника Кепе О.Э.
17.3.1Тело массой 10 кг движется поступательно по горизонтальной плоскости. Каждая точка тела движет..
66р.
Решение задачи 17.3.10 из сборника Кепе О.Э.
17.3.10Механизм расположен в горизонтальной плоскости. Стержень 1, вращаясь с постоянной угловой ско..
60р.
Решение задачи 17.3.11 из сборника Кепе О.Э.
17.3.11Механизм расположен в горизонтальной плоскости. Стержень 1 вращается с угловым ускорением ? =..
100р.
Решение задачи 17.3.12 из сборника Кепе О.Э.
17.3.12При торможении поезда центр масс С вагона имеет ускорение а = 5 м/с2. На сцепки вагона дейст..
60р.
Решение задачи 17.3.13 из сборника Кепе О.Э.
17.3.13Тело 1 скользит по гладкой горизонтальной плоскости под действием силы тяжести тела 3. Опред..
60р.
Решение задачи 17.3.14 из сборника Кепе О.Э.
17.3.14В рассматриваемый момент времени тела 1 и 3, массы которых одинаковы и равны m = 0,6 кг, движ..
100р.
Решение задачи 17.3.15 из сборника Кепе О.Э.
17.3.15Определить модуль реакции шарнира О, если груз 2 массой m2 = 5 кг под действием силы тяжести ..
66р.
Решение задачи 17.3.16 из сборника Кепе О.Э.
17.3.16Барабан 1 радиуса r = 20 см под действием пары сил с моментом М вращается с постоянным угло..
60р.
Решение задачи 17.3.17 из сборника Кепе О.Э.
17.3.17Вибратор состоит из двух синхронно вращающихся пневмотурбин. К валам турбин прикреплены корр..
100р.
Решение задачи 17.3.18 из сборника Кепе О.Э.
17.3.18Колесо радиуса r = 0,2 м вращается с угловым ускорением ϵ = 20 рад/с2. На колесо действует п..
67р.
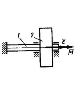
Решение задачи 17.3.19 из сборника Кепе О.Э.
17.3.19На колесо 2 действует пара сил с моментом М = 400 Н · м, его угловое ускорение ϵ = 500 рад/с..
100р.
Решение задачи 17.3.2 из сборника Кепе О.Э.
17.3.2Строительную деталь массой m = 600 кг поднимают с ускорением а = 1,5 м/с2. Определить в кН си..
100р.
Решение задачи 17.3.20 из сборника Кепе О.Э.
17.3.20Венец зубчатого колеса имеет массу m = 30 кг, радиус инерции ρ = 0,25 м, радиус делительной о..
100р.
Решение задачи 17.3.21 из сборника Кепе О.Э.
17.3.21Определить момент сил реакции в заделке абсолютно жесткой консоли, вызванный силами инерции ..
100р.














