Михаил_Перович
Решение задачи 2.4.2 из сборника Кепе О.Э.
2.4.2Определить реакцию опоры D если силы F1 = 84,6Н, F2 = 208Н, размеры АВ = 1 м, BС=3м,CD = 2м. (О..
60р.
Решение задачи 2.4.20 из сборника Кепе О.Э.
2.4.20Балка АВ опирается на стержень CD. Определить реакцию стержня CD, если длины АВ = 2 м, BD = 1/..
60р.
Решение задачи 2.4.21 из сборника Кепе О.Э.
2.4.21На изогнутую балку АВ, заделанную в стену, действуют распределенные нагрузки интенсивностью q1..
66р.
Решение задачи 2.4.22 из сборника Кепе О.Э.
2.4.22Определить горизонтальную силу А при которой реакция опоры В арки АВ равна 200Н, если размеры ..
60р.
Решение задачи 2.4.23 из сборника Кепе О.Э.
2.4.23Арка, имеющая форму полуокружности, жестко заделана в точке А. Определить момент в заделке, ес..
60р.
Решение задачи 2.4.24 из сборника Кепе О.Э.
2.4.24Гру зы 1 и 2 висят на канатах, намотанных на ступенчашй барабан. Определить в кН горизонтальну..
60р.
Решение задачи 2.4.26 из сборника Кепе О.Э.
2.4.26Стержень АВ жестко связан с диском. Определить в кН реакцию опоры В, если сила F = 24 кН. угол..
100р.
Решение задачи 2.4.27 из сборника Кепе О.Э.
2.4.27Стержень АС жестко связан с рамой. Определить в кН реакцию опоры В, если силы F1 = F2 = 20 кН,..
60р.
Решение задачи 2.4.28 из сборника Кепе О.Э.
2.4.28На ферму действует вершкальнаи сила F. При каком значении в градусах угла а реакция опоры Ra =..
100р.
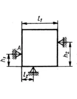
Решение задачи 2.4.29 из сборника Кепе О.Э.
2.4.29Однородная квадратная пластина весом 1H закреплена в вертикальной плоскости на трех опорах. Оп..
60р.
Решение задачи 2.4.3 из сборника Кепе О.Э.
2.4.3На балку, длина которой l=3 м, действуют пары сил с моментами М1 = 2 кН·м и М2 = 8 кН·м. Опреде..
60р.
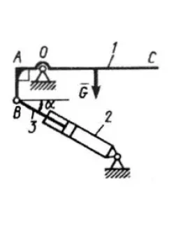
Решение задачи 2.4.30 из сборника Кепе О.Э.
2.4.30Лестница 1 весом G = 2 кН удерживается в горизонтальном положении с помощью силового гидроцили..
100р.
Решение задачи 2.4.31 из сборника Кепе О.Э.
2.4.31Кузов 1 весом G = 10 кН удерживается в равновесии силовым гидроцилиндром 2. Определить в кН с..
60р.
Решение задачи 2.4.33 из сборника Кепе О.Э.
2.4.33Консольная балка нагружена парами сил с моментами М1 = 1790 Н·м и М2 =2135 Н·м. Определить мом..
60р.
Решение задачи 2.4.34 из сборника Кепе О.Э.
2.4.34К балке AD приложена пара сил с моментом М = 200 Н·м, распределенная нагрузка интенсивностью q..
60р.














