Михаил_Перович
Решение задачи 20.3.5 из сборника Кепе О.Э.
20.3.5Потенциальная энергия консервативной системы П = 3х12 + 2x2 . Определить обобщенную силу, соот..
60р.
Решение задачи 20.3.6 из сборника Кепе О.Э.
20.3.6Потенциальная энергия консервативной системы П = (18 + 24s) cosφ где s и φ - обобщенные коорд..
60р.
Решение задачи 20.3.7 из сборника Кепе О.Э.
20.3.7Модуль равнодействующей системы сил, действующей на материальную точку, |R| = 50Н. Определить ..
100р.
Решение задачи 20.3.8 из сборника Кепе О.Э.
20.3.8Определить обобщенную силу, соответствующую обобщенной координате ?, в момент времени, когда у..
100р.
Решение задачи 20.3.9 из сборника Кепе О.Э.
20.3.9Определить обобщенную силу, соответствующую обобщенной координате φ, в момент времени, когда ..
60р.
Решение задачи 20.4.1 из сборника Кепе О.Э.
20.4.1Может ли кинетический потенциал механической системы определяться функцией f(x, х) = 12х + 2х..
70р.
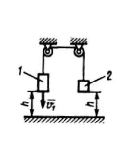
Решение задачи 20.4.10 из сборника Кепе О.Э.
20.4.10Определить кинетический потенциал тел 1 и 2, массы которых m1 = 10 кг и m2 = 5 кг. Скорость v..
60р.
Решение задачи 20.4.2 из сборника Кепе О.Э.
20.4.2Может ли кинетический потенциал консервативной системы определяться функцией вида f(x, х) =..
70р.
Решение задачи 20.4.3 из сборника Кепе О.Э.
20.4.3Может ли кинетический потенциал механической системы определяться функцией f(x, х) = 4x3 + 2х..
60р.
Решение задачи 20.4.4 из сборника Кепе О.Э.
20.4.4В некоторый момент времени обобщенная координата φ = 3 рад, а обобщенная скорость φ = 2 рад/с...
60р.
Решение задачи 20.4.5 из сборника Кепе О.Э.
20.4.5Тело массой m = 20 кг скользит по гладкой поверхности вниз. Определить кинетический потенциа..
60р.
Решение задачи 20.4.6 из сборника Кепе О.Э.
20.4.6Материальная точка М массой m = 1 кг поднимается вертикально. Определить скорость v подъема в..
60р.
Решение задачи 20.4.7 из сборника Кепе О.Э.
20.4.7Тело 1 массой 60 кг движется со скоростью v = 1 м/с. Момент инерции цилиндра радиуса r = 0,..
60р.
Решение задачи 20.4.8 из сборника Кепе О.Э.
20.4.8На тело массой m = 1 кг действует сила упругости пружины F = -100х. Определить кинетический по..
60р.
Решение задачи 20.4.9 из сборника Кепе О.Э.
20.4.9Груз 2 прикреплен к стержню 1 и движется в вертикальной плоскости. Потенциальная энергия маят..
60р.












