Михаил_Перович
Решение задачи 22.2.4 из сборника Кепе О.Э.
22.2.4С неподвижным телом массой m1 = 100 кг сталкивается со скоростью v2 = 1 м/с тело массой m2 = 1..
100р.
Решение задачи 22.2.5 из сборника Кепе О.Э.
22.2.5Шар 1, подвешенный на нити 2, ударяет со скоростью v = 0,5 м/с по неподвижному шару 4, подвеше..
100р.
Решение задачи 22.2.6 из сборника Кепе О.Э.
22.2.6Шайба 1 массой m1 ударяет по неподвижной шайбе 2 со скоростью v = 1 м/с. Принимая, что удар пр..
100р.
Решение задачи 22.2.7 из сборника Кепе О.Э.
22.2.7Тело 1 массой m1 = 5 кг ударяет по неподвижному амортизатору 2 массой m2. Коэффициент восстано..
100р.
Решение задачи 22.2.8 из сборника Кепе О.Э.
22.2.8Тело 1, двигаясь со скоростью v1 = 10 м/с, ударяет по второму телу 2, которое двигается со ско..
100р.
Решение задачи 22.2.9 из сборника Кепе О.Э.
22.2.9Два тела 1 и 2 сталкиваются с противоположными по направлению, но одинаковыми по значению скор..
100р.
Решение задачи 22.3.1 из сборника Кепе О.Э.
22.3.1На тело, вращающееся вокруг неподвижной оси z с угловой скоростью ω0 = 150 рад/с, подействова..
60р.
Решение задачи 22.3.10 из сборника Кепе О.Э.
22.3.10Найти расстояние а от центра удара до оси вращения О однородного стержня массой 0,8 кг и мате..
60р.
Решение задачи 22.3.11 из сборника Кепе О.Э.
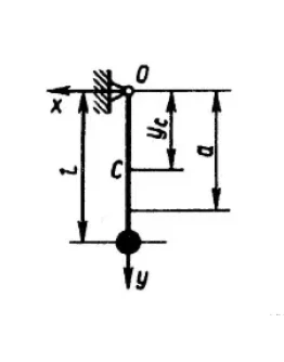
22.3.11Центр масс неоднородного стержня массой m = 2,4 кг и длиной l = 0,8 м располагается на рассто..
60р.
Решение задачи 22.3.12 из сборника Кепе О.Э.
22.3.12На прямоугольную дверь, вращающуюся вокруг главной оси инерции Az с угловой скоростью ωo = -5..
60р.
Решение задачи 22.3.2 из сборника Кепе О.Э.
22.3.2Тонкая пластинка может вращаться вокруг своей оси симметрии Oz. На расстоянии а = 0,1 м от ос..
60р.
Решение задачи 22.3.3 из сборника Кепе О.Э.
22.3.3На неподвижную квадратную пластинку со стороной, равной 0,3 м, вдоль стороны АВ подействовал у..
60р.
Решение задачи 22.3.4 из сборника Кепе О.Э.
22.3.4В плоскости Оху к неподвижному изогнутому под прямым углом рычагу на расстоянии а = 0,8 м..
60р.
Решение задачи 22.3.5 из сборника Кепе О.Э.
22.3.5Крышка люка с моментом инерции IАz = 10 кг • м захлопывается с угловой скоростью ωo = 3 рад/с..
60р.
Решение задачи 22.3.6 из сборника Кепе О.Э.
22.3.6Тонкий однородный стержень массой m = 2 кг вращается вокруг оси Oz с угловой скоростью ω0 = 1,..
60р.














