Михаил_Перович
Решение задачи 3.1.8 из сборника Кепе О.Э.
3.1.8Укажите номер статически определимой конструкции. (Ответ 2)..
100р.
Решение задачи 3.1.9 из сборника Кепе О.Э.
3.1.9Укажите номер статически неопределимой конструкции. (Ответ 3)..
60р.
Решение задачи 3.2.11 из сборника Кепе О.Э.
3.2.11Определить вертикальную составляющую реакции в шарнире В, если сила F = 850Н, а размеры DC = С..
60р.
Решение задачи 3.2.12 из сборника Кепе О.Э.
3.2.12Определить в кН·м момент М пары сил, при котором вертикальная составляющая реакции опоры А ра..
60р.
Решение задачи 3.2.13 из сборника Кепе О.Э.
3.2.13Определить в кН силу F, при которой вертикальная составляющая реакции в шарнире А равна 9 кН, ..
60р.
Решение задачи 3.2.15 из сборника Кепе О.Э.
3.2.15Найти вертикальную составляющую реакции в шарнире С, если к горизонтальному стержню АС приложе..
60р.
Решение задачи 3.2.16 из сборника Кепе О.Э.
3.2.16Однородный горизонтальный стержень АС, вес которого равен 180Н, свободно опирается в точке С н..
60р.
Решение задачи 3.2.17 из сборника Кепе О.Э.
3.2.17Стержень АВ концом В свободно опирается на вертикальный стержень CD, один конец которого задел..
60р.
Решение задачи 3.2.18 из сборника Кепе О.Э.
3.2.18Однородный стержень CD весом 346Н опирается на вертикальную стойку АВ. Определить момент в за..
60р.
Решение задачи 3.2.2 из сборника Кепе О.Э.
3.2.2Система тел состоит из стержней ОА, АВ и троса ВС. Какое минимальное число уравнений равновесия..
100р.
Решение задачи 3.2.23 из сборника Кепе О.Э.
3.2.23Определить длину ВС, для того чтобы вертикальная составляющая реакции шарнира D равнялась 6 кН..
60р.
Решение задачи 3.2.25 из сборника Кепе О.Э.
3.2.25Пренебрегая весом конструкции, определить реакцию опоры А, если сила F = 400Н, угол ?=45°. (От..
60р.
Решение задачи 3.2.27 из сборника Кепе О.Э.
3.2.27На конце однородного стержня АВ весом 80Н с помощью шарнира В установлен однородный диск весо..
60р.
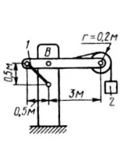
Решение задачи 3.2.28 из сборника Кепе О.Э.
3.2.28Определить усилие в стержне 1 в случае равновесия системы, если вес тела 2 равен 100Н. Весом о..
60р.
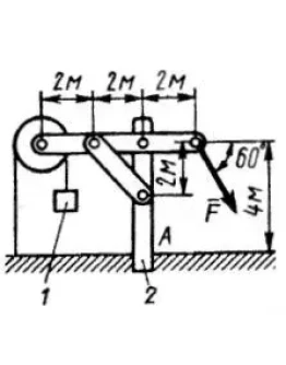
Решение задачи 3.2.29 из сборника Кепе О.Э.
3.2.29Определить в кН модуль силы F, при которой момент в заделке А столба 2 равен нулю, если вес т..
60р.














