Михаил_Перович
Решение задачи 8.2.9 из сборника Кепе О.Э.
8.2.9Угловое ускорение тела изменяется согласно закону ? = 2t Определить угловую скорость тела в мом..
67р.
Решение задачи 8.3.10 из сборника Кепе О.Э.
8.3.10Угловая скорость тела изменяется по закону ? = 2t3. Определить касательное ускорение точки это..
66р.
Решение задачи 8.3.11 из сборника Кепе О.Э.
8.3.11В данный момент времени ротор электродвигателя вращается с угловой скоростью ? = 3? и угловым ..
60р.
Решение задачи 8.3.12 из сборника Кепе О.Э.
8.3.12Тело вращается согласно закону ? = 1 + 4t Определить ускорение точки тела на расстоянии r = 0..
100р.
Решение задачи 8.3.13 из сборника Кепе О.Э.
8.3.13Угловая скорость тела изменяется по закону ? = 1 + t. Определить ускорение точки этого тела н..
66р.
Решение задачи 8.3.14 из сборника Кепе О.Э.
8.3.14Маховое колесо в данный момент времени вращается с угловым ускорением е = 20?, а его точка на ..
60р.
Решение задачи 8.3.15 из сборника Кепе О.Э.
8.3.15Ускорение точки М диска, вращающегося вокруг неподвижной оси, равно 4 м/с2. Определить углову..
60р.
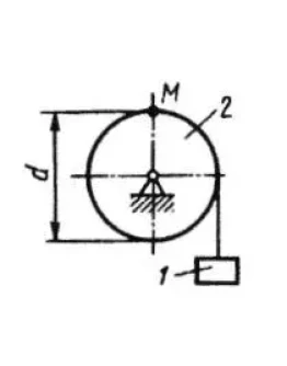
Решение задачи 8.3.3 из сборника Кепе О.Э.
8.3.3Груз 1 поднимается с помощью лебедки, барабан 2 которой вращается согласно закону ? = 5 + 2t3. ..
60р.
Решение задачи 8.3.4 из сборника Кепе О.Э.
8.3.4Угловая скорость балансира мсханичсских часов изменяется но закону ? = ? sin 4 ?t. Определитъ в..
60р.
Решение задачи 8.3.5 из сборника Кепе О.Э.
8.3.5Скорость точки тела на расстоянии r = 0,2 м от оси вращения изменяется по закону v = 4t2. Опред..
60р.
Решение задачи 8.3.6 из сборника Кепе О.Э.
8.3.6Маховик вращается с постоянной частотой вращения, равной 90 об/мин. Определить ускорение точки ..
66р.
Решение задачи 8.3.7 из сборника Кепе О.Э.
8.3.7Тело вращается вокруг неподвижной оси согласно закону ? = 2t2. Определить нормальное ускорение ..
60р.
Решение задачи 8.3.8 из сборника Кепе О.Э.
8.3.8Нормальное ускорение точки М диска, вращающегося вокруг неподвижной оси, равно 6,4 м/с2. Опред..
60р.
Решение задачи 8.3.9 из сборника Кепе О.Э.
8.3.9Тело вращается вокруг неподвижной оси согласно закону ? = 2t3. В момент времени t = 2 с определ..
66р.
Решение задачи 8.4.3 из сборника Кепе О.Э.
8.4.3Колесо 1 вращается согласно закону ?1 = 20t. Определить число оборотов, совершенных колесом 2 з..
60р.








