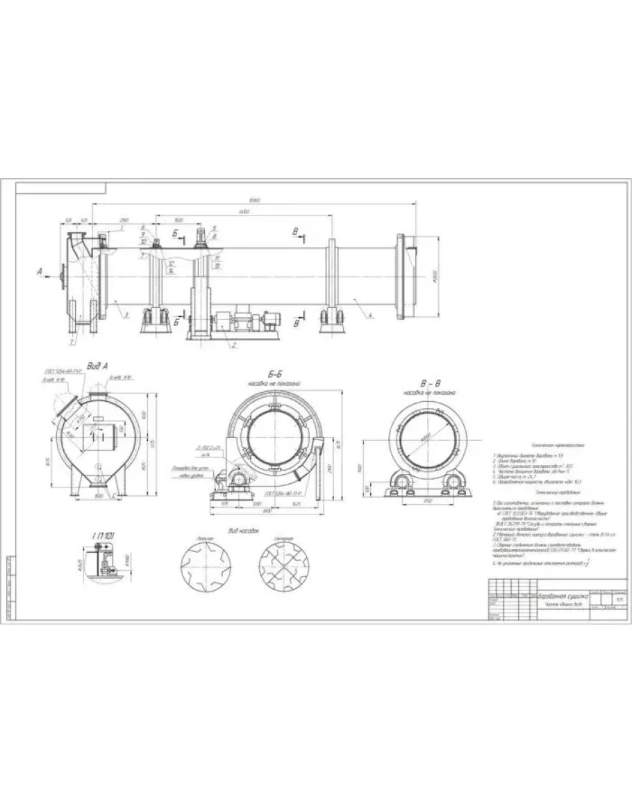
Чертеж "Барабанная сушилка"
Техническая характеристика
1. Внутренний диаметр барабана, м 1,8
2. Длина барабана, м 12
3. Объем сушильного пространства м3: 30,5
4. Частота вращения барабана, об/мин: 5
5. Общая масса, т: 24,7
6. Потребляемая мощность двигателя, кВт: 10,3
Техническая характеристика
1. Внутренний диаметр барабана, м 1,8
2. Длина барабана, м 12
3. Объем сушильного пространства м3: 30,5
4. Частота вращения барабана, об/мин: 5
5. Общая масса, т: 24,7
6. Потребляемая мощность двигателя, кВт: 10,3





