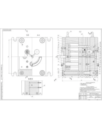
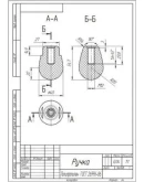
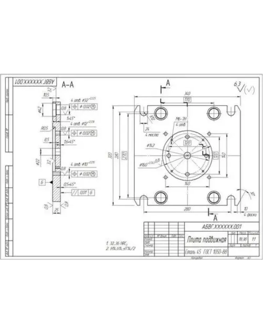
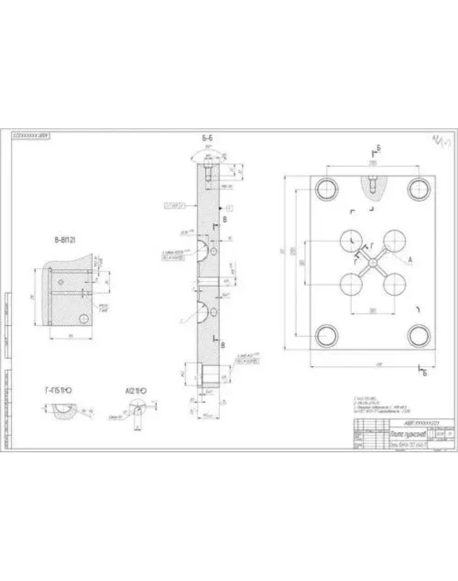
Чертеж "Пресс-форма на изделие "Ручка"
Технические характеристики
1. Пресс-форма для литья полиамида
2. Четырехгнездная
3. Полуавтоматическая
К ТПА с номинальным объёмом впрыска не менее 250 см3.
Технические характеристики
1. Пресс-форма для литья полиамида
2. Четырехгнездная
3. Полуавтоматическая
К ТПА с номинальным объёмом впрыска не менее 250 см3.









