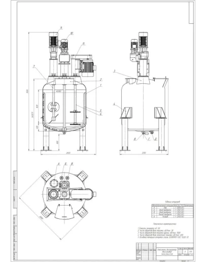
Чертеж "Смеситель-диспергатор (диссольвер)"
Технические характеристики
1 Емкость аппарата, м3: 3,0
2 Число оборотов вала мешалки, об/мин.: 30
3 Число оборотов вала мешалки-фрезы, об/мин.: 1500
4 Число оборотов вала лопастной мешалки, об/мин.: 480
5 Основной материал аппарата: сталь 12Х18Н10Т ГОСТ 5632-72
Технические характеристики
1 Емкость аппарата, м3: 3,0
2 Число оборотов вала мешалки, об/мин.: 30
3 Число оборотов вала мешалки-фрезы, об/мин.: 1500
4 Число оборотов вала лопастной мешалки, об/мин.: 480
5 Основной материал аппарата: сталь 12Х18Н10Т ГОСТ 5632-72





