Курсовой проект по дисциплине "Проектирование процессов и аппаратов химической технологии"
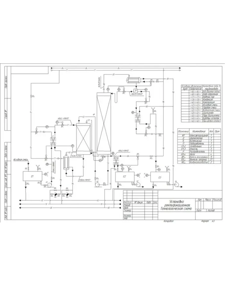
Тема: "Проектирование ректификационной установки для смеси вода - уксусная кислота"
Исходные данные:
Смесь для разделения: уксусная кислота - вода
1. Производительность установки по исходной смеси 5 т/час
2. Температура исходной смеси 25 град.
3. Содержание легколетучего компонента:
в исходной смеси 40% масс.
в ректификате 97% масс.
в кубовой жидкости 0,5% масс.
4. Давление в колонне 760 мм рт.ст.
5. Тип колонны - насадочная
6. Тип контактных элементов - выбрать
7. Давление насыщенного водяного пара, подаваемого в кипятильник - выбрать
8. Конденсация паров в дефлегматоре - полная
Содержание ПЗ:
1. Титульный лист
2. Бланк задания на проектирование
3. Оглавление
4. Введение
5. Материальный баланс установки
6. Расчёт рабочего флегмового числа
7. Расчёт основных размеров колонны (диаметра и высоты)
8. Подбор и расчёт теплообменников
9. Расчёт толщины термоизоляции одного из аппаратов
10. Расчёт и подбор трубопроводов
11. Расчёт и подбор насоса исходной смеси
12. Подбор ёмкостей
13. Список использованной литературы
Тема: "Проектирование ректификационной установки для смеси вода - уксусная кислота"
Исходные данные:
Смесь для разделения: уксусная кислота - вода
1. Производительность установки по исходной смеси 5 т/час
2. Температура исходной смеси 25 град.
3. Содержание легколетучего компонента:
в исходной смеси 40% масс.
в ректификате 97% масс.
в кубовой жидкости 0,5% масс.
4. Давление в колонне 760 мм рт.ст.
5. Тип колонны - насадочная
6. Тип контактных элементов - выбрать
7. Давление насыщенного водяного пара, подаваемого в кипятильник - выбрать
8. Конденсация паров в дефлегматоре - полная
Содержание ПЗ:
1. Титульный лист
2. Бланк задания на проектирование
3. Оглавление
4. Введение
5. Материальный баланс установки
6. Расчёт рабочего флегмового числа
7. Расчёт основных размеров колонны (диаметра и высоты)
8. Подбор и расчёт теплообменников
9. Расчёт толщины термоизоляции одного из аппаратов
10. Расчёт и подбор трубопроводов
11. Расчёт и подбор насоса исходной смеси
12. Подбор ёмкостей
13. Список использованной литературы





