Steamurai
Перейти в каталог
Категории
Главная
Товары
Акции
Контакты
О нас
Продавец
NikMin
ТС "Производство ТПУ Витур Т-0433-85"
Описание
Отзывов (0)
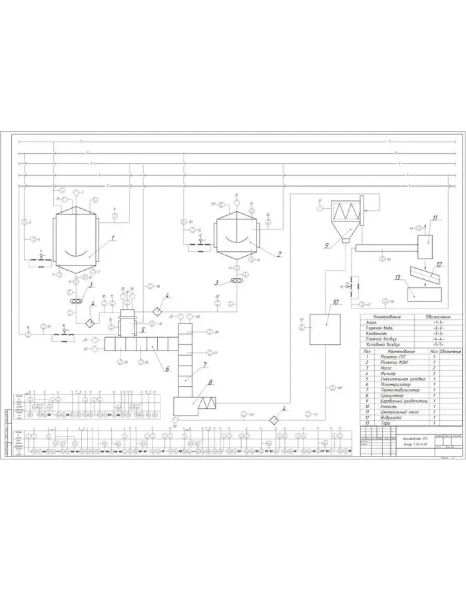
Технологическая схема: "Производство ТПУ Витур Т-0433-85" с КИПиА
Написать отзыв
Ваше имя:
Ваш отзыв:
Примечание:
HTML разметка не поддерживается! Используйте обычный текст.
Оценка:
Плохо
Хорошо
Продолжить
ТС "Производство ТПУ Витур Т-0433-85"
Продавец:
NikMin
Модель: 4859362
Наличие: Есть в наличии
448р.
Купить
0 отзывов
/
Написать отзыв
Рекомендуемые
🔵BATTLEFIELD 6 PS5 ВЫБОР РЕГИОНА БЫСТРО!🎁
5699р.
Купить
✅MORTAL KOMBAT 1 KHAOS REIGNS EXPANSION❤️XBOX🔑КЛЮЧ✅
1344р.
Купить
✅ Marvel's Spider-Man 2 - STEAM КЛЮЧ 🔑 СНГ (Без РФ)
3360р.
Купить
・Hogwarts Legacy + 450 игр + ПОДАРОК・ПК・НА ВАШ АККАУНТ・
99р.
Купить