Pingvin78
Задачи по гидравлике разные 3
Определить разность давлений на свободной поверхности в двух смежных резервуарах, заполненных водой,..
79р.
Задачи по гидравлике разные 4
Определить избыточное давление в точке А на глубине h = 2 м от поршня диаметром d=0,2 м, если на нег..
79р.
Задачи по гидравлике разные 5
Центробежный вентилятор засасывает атмосферный воздух через сопло. К цилиндрической части сопла, диа..
79р.
Задачи по гидравлике разные 6
Дисковый затвор диаметром D = 1 м, установленный в трубе под углом а=45 к горизонту, закрывает выход..
79р.
Задачи по гидравлике разные 7
При известных диаметрах трубопровода и геометрическом напоре истечения Н = 2 м определить избыточное..
79р.
Задачи по гидравлике разные 8
Определить силу гидростатического давления воды на 1 м ширины вальцового затвора диаметром d (рис. 2..
79р.
Задачи по гидравлике разные 9
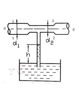
По трубопроводу, имеющему сужение, протекает вода расходом Q (рис. 3.16). Определить, какой диаметр ..
79р.
Задачи по механике 1-1
Качество сборки автомобилей обеспечивается соединением деталей с требуемой посадкой.Решить задачуИсх..
157р.
Задачи по механике 1-10
Подобрать посадки для внутреннего и наружного колец подшипника, построить схему расположения полей д..
79р.
Задачи по механике 1-11
Для шлицевого сопряжения:а) выбрать поверхность центрирования и назначить посадкиб) определить допус..
79р.
Задачи по механике 1-12
1. Изобразить графическую схему полей допусков болта и гайки для метрической резьбы2. Найти по табли..
79р.
Задачи по механике 1-13
Составить размерную цепь для узла редуктора. Решение выполнить в 2 вариантах:1 вариант: определить д..
79р.
Задачи по механике 1-14
По безмоментной теории определить напряжения, возникающие в стенке полушаровой емкости, заполненной ..
60р.
Задачи по механике 1-15
Необогреваемый аппарат с внутренним диаметром Dв =1400мм и высо¬той Н = 2500 мм предназначен для обр..
60р.
Задачи по механике 1-16
Маятник состоит из жесткого стержня длины L, несущего массу m на своем конце. К стержню прикреплены ..
60р.














