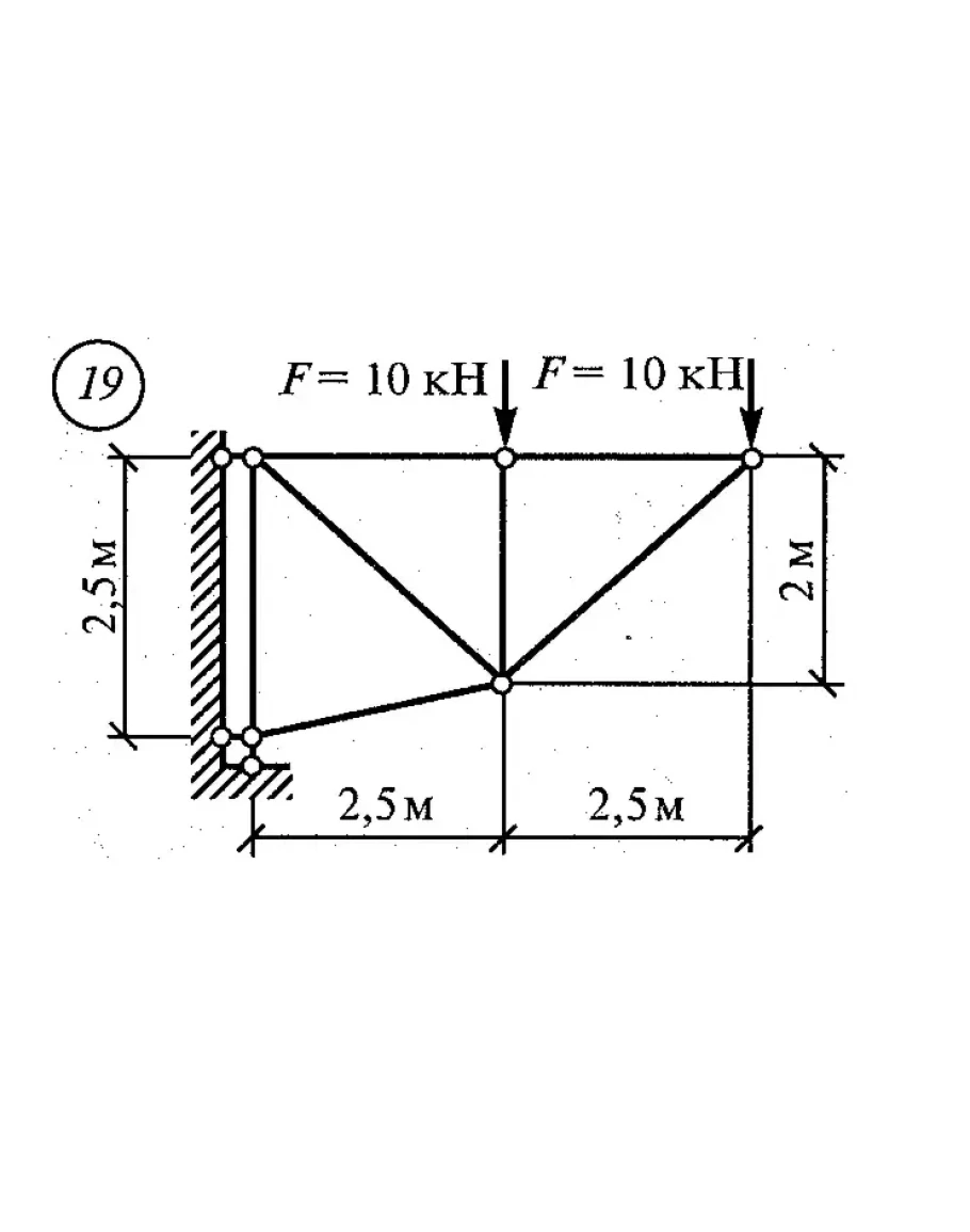
Определение усилий в стержнях консольной фермы аналитическим и графическим способами.
Сборник В.И. Сеткова (стр. 107).
Сборник В.И. Сеткова (стр. 107).
Расчетно-графическая работа 1. Вариант 19
- Продавец: prosto-igor
- Модель: 2576646
- Наличие: Есть в наличии
-
139р.




