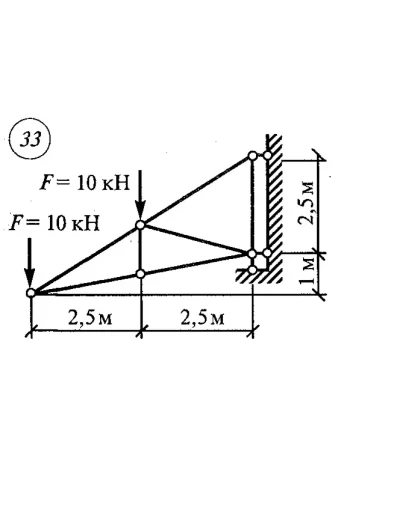
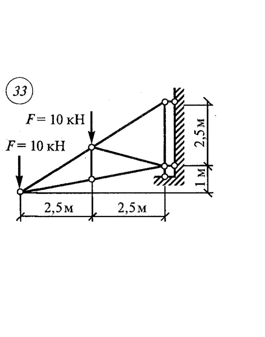
Определение усилий в стержнях консольной фермы аналитическим и графическим способами.
Решение выполнено в соответствии с требованиями из сборника.
Сборник В.И. Сеткова (стр. 107).
Решение выполнено в соответствии с требованиями из сборника.
Сборник В.И. Сеткова (стр. 107).
Расчетно-графическая работа 1. Вариант 33
- Продавец: prosto-igor
- Модель: 2758064
- Наличие: Есть в наличии
-
134р.




