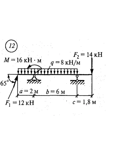
Определение опорных реакций балки на двух опорах.
Решение выполнено в соответствии с требованиями из сборника.
Сборник В.И. Сеткова (стр. 114).
Решение выполнено в соответствии с требованиями из сборника.
Сборник В.И. Сеткова (стр. 114).
Расчетно-графическая работа 2. Вариант 12
- Продавец: prosto-igor
- Модель: 2576675
- Наличие: Есть в наличии
-
134р.




