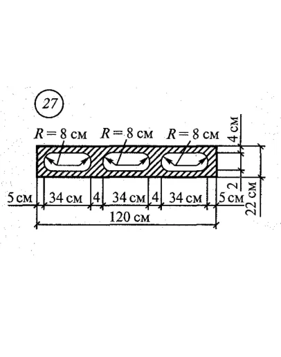
Определение положения центра тяжести сечения, состоящего из простых геометрических фигур.
ВНИМАНИЕ: в данном варианте ОТСУТСТВУЕТ проверка.
Сборник В.И. Сеткова (стр. 125).
ВНИМАНИЕ: в данном варианте ОТСУТСТВУЕТ проверка.
Сборник В.И. Сеткова (стр. 125).
Расчетно-графическая работа 3. Задание 2. Вариант 27
- Продавец: prosto-igor
- Модель: 2577156
- Наличие: Есть в наличии
-
137р.




