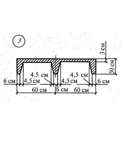
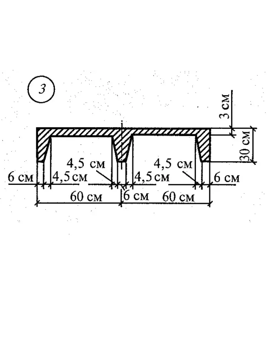
• Расчетно-графическая работа 3. Задание 2. Вариант 3
Определение положения центра тяжести сечения, состоящего из простых геометрических фигур.
Решение выполнено в соответствии с требованиями из сборника.
Сборник В.И. Сеткова (стр. 125).

Написать отзыв

Примечание: HTML разметка не поддерживается! Используйте обычный текст.
   Плохо           Хорошо

Расчетно-графическая работа 3. Задание 2. Вариант 3

  • Продавец: prosto-igor
  • Модель: 2577140
  • Наличие: Есть в наличии
  • 137р.

Рекомендуемые