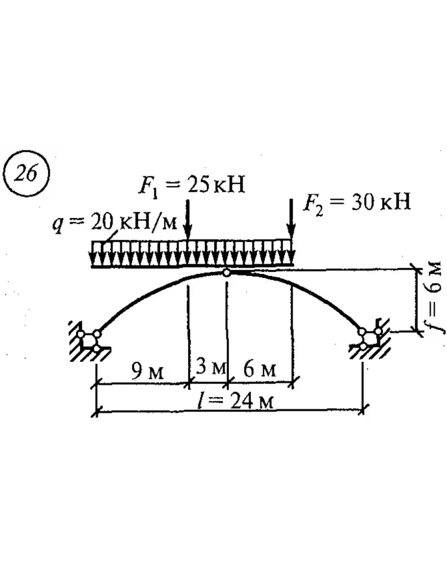
Определение изгибающих моментов, поперечных и продольных сил в пяти точках: опорах, промежуточном шарнире и серединах левой и правой полуарки.
Решение выполнено в соответствии с требованиями из сборника.
Сборник В.И. Сеткова (стр. 162).
Решение выполнено в соответствии с требованиями из сборника.
Сборник В.И. Сеткова (стр. 162).
Расчетно-графическая работа 8. Вариант 26
- Продавец: prosto-igor
- Модель: 2700332
- Наличие: Есть в наличии
-
208р.




