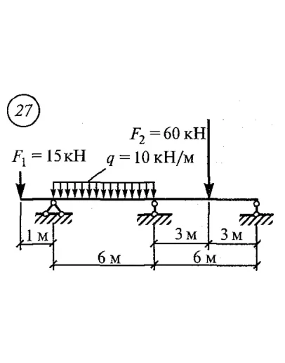
Построение эпюры для неразрезной балки.
Решение выполнено в соответствии с требованиями из сборника.
Сборник В.И. Сеткова (стр. 96).
Решение выполнено в соответствии с требованиями из сборника.
Сборник В.И. Сеткова (стр. 96).
Самостоятельная работа 11. Вариант 27
- Продавец: prosto-igor
- Модель: 2700322
- Наличие: Есть в наличии
-
139р.




