ВНИМАНИЕ! Решение выполнено в соответствии с требованиями из сборника.
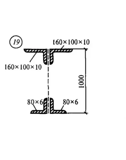
В решении найден момент инерции сечения относительно главной центральной оси, не являющейся осью симметрии. Тоесть только одно значение момента инерции - Jx или Jy.
Сборник В.И. Сеткова (стр. 41).
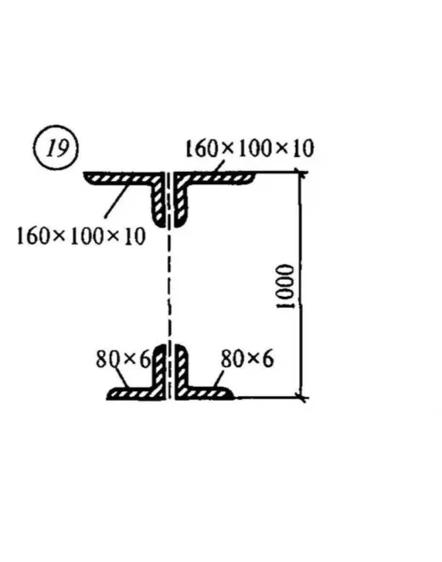
В решении найден момент инерции сечения относительно главной центральной оси, не являющейся осью симметрии. Тоесть только одно значение момента инерции - Jx или Jy.
Сборник В.И. Сеткова (стр. 41).
Самостоятельная работа 5. Вариант 19
- Продавец: prosto-igor
- Модель: 3068113
- Наличие: Есть в наличии
-
69р.




