ВНИМАНИЕ! Решение выполнено в соответствии с требованиями из сборника.
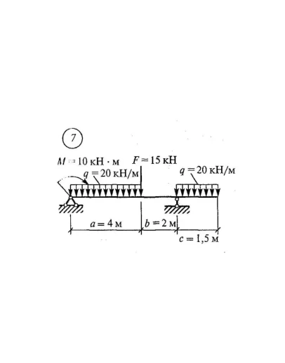
В решении выполнено построение эпюры поперечных сил Qx и эпюры изгибающих моментов Mx.
Сборник В.И. Сеткова (стр. 53).
В решении выполнено построение эпюры поперечных сил Qx и эпюры изгибающих моментов Mx.
Сборник В.И. Сеткова (стр. 53).
Самостоятельная работа 6. Вариант 7
- Продавец: prosto-igor
- Модель: 2572114
- Наличие: Есть в наличии
-
139р.




