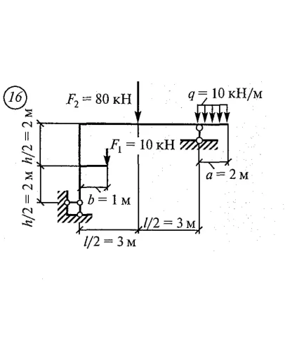
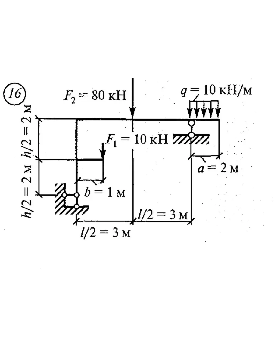
Построение эпюры Qx, Mx и Nx.
Решение выполнено в соответствии с требованиями из сборника.
Сборник В.И. Сеткова (стр. 67).
Решение выполнено в соответствии с требованиями из сборника.
Сборник В.И. Сеткова (стр. 67).
Самостоятельная работа 8. Вариант 16
- Продавец: prosto-igor
- Модель: 2572197
- Наличие: Есть в наличии
-
139р.




