RabbitMex
PHP скрипт для работы с MS word-документом (Read/Write)
Два php скрипта - read.php и write.phpread.php - читает весь текст из doc/docx и выводит на экранwri..
91р.
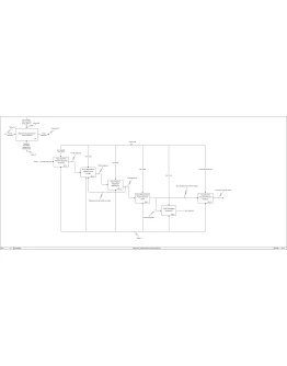
Бизнес-процессы промышленного предприятия
Вашему вниманию представляется магистерская дипломная работа защищённая в январе 2017 года (Украина,..
1701р.
Курс лабораторных работ по Защите информации (VBA)
4 готовые лабораторные работы по темам:- Шифрование методом подстановок- Шифрование методом перестан..
227р.
Лабораторные работы по ООП (C#.NET) Вариант 1
В архиве вы найдёте выполненные лабораторные работы с 1 по 4 включительно (1-ый вариант).В архиве на..
276р.
Показано с 1 по 4 из 4 (всего 1 страниц)



