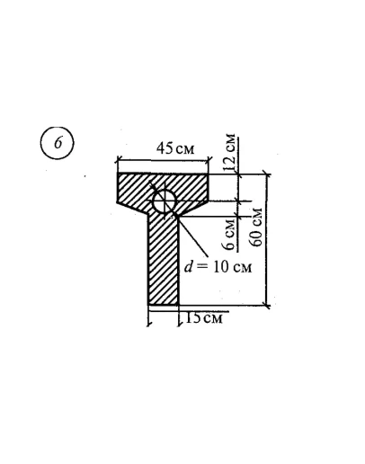
Определение положения центра тяжести сечения, состоящего из простых геометрических фигур.
Решение выполнено в соответствии с требованиями из сборника.
Сборник В.И. Сеткова (стр. 125).
Решение выполнено в соответствии с требованиями из сборника.
Сборник В.И. Сеткова (стр. 125).
Расчетно-графическая работа 3. Задание 2. Вариант 6
- Продавец: prosto-igor
- Модель: 2577143
- Наличие: Есть в наличии
-
139р.




