Решение Д12-26 (Рисунок Д12.2 условие 6 С.М Тарг 1989г)
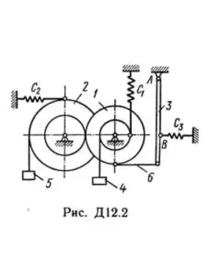
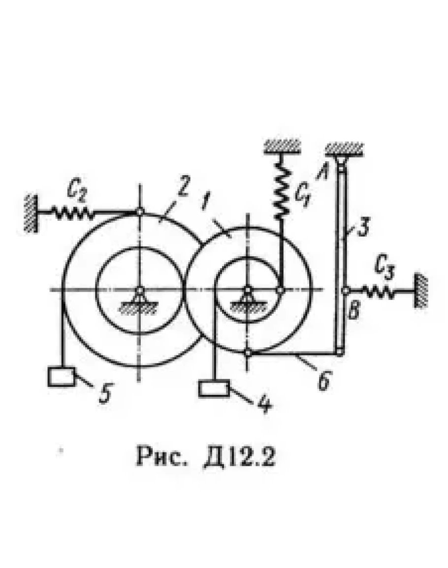
Механизм, расположенный в вертикальной плоскости (рис. Д12.0 — Д12.9), состоит из ступенчатых колес 1 и 2 с радиусами R1 = 0,4 м, r1 = 0,2 м, R2 = 0,5 м, r2 = 0,3 м, имеющих неподвижные оси вращения; однородного стержня 3 длиной l =1,2 м, закрепленного шарниром на одном из концов; грузов 4 и 5, подвешенных к нитям, намотанным на колеса. На стержне расстояние АВ = 2l/3. Стержень 3 соединен с колесом 2 невесомым стержнем 6. Колеса 1 и 2 или находятся в зацеплении (рис. 0—4), или соединены невесомым стержнем 7 (рис. 5—9). К колесам и стержню 3 прикреплены пружины. В табл. Д12 заданы массы mi тел (кг) и коэффициенты жесткости ci пружин (Н/м). Прочерки в столбцах таблицы означают, что соответствующие тела или пружины в систему не входят (на чертеже эти тела и пружины не изображать); в результате в каждом конкретном варианте получается довольно простой механизм, содержащий три или даже два тела. Стержень 6 или 7 входит в состав механизма, когда в него входят оба тела, соединенные этим стержнем. В положениях, изображенных на рисунках, механизм находится в равновесии. Определить частоту и период малых колебаний системы около положения равновесия. Найти также, чему равно статическое удлинение (сжатие) пружины λст в положении равновесия. При подсчетах считать колеса 1 и 2 сплошными однородными цилиндрами радиусов R1 и R2 соответственно. Рассмотрим два примера решения этой задачи.
Механизм, расположенный в вертикальной плоскости (рис. Д12.0 — Д12.9), состоит из ступенчатых колес 1 и 2 с радиусами R1 = 0,4 м, r1 = 0,2 м, R2 = 0,5 м, r2 = 0,3 м, имеющих неподвижные оси вращения; однородного стержня 3 длиной l =1,2 м, закрепленного шарниром на одном из концов; грузов 4 и 5, подвешенных к нитям, намотанным на колеса. На стержне расстояние АВ = 2l/3. Стержень 3 соединен с колесом 2 невесомым стержнем 6. Колеса 1 и 2 или находятся в зацеплении (рис. 0—4), или соединены невесомым стержнем 7 (рис. 5—9). К колесам и стержню 3 прикреплены пружины. В табл. Д12 заданы массы mi тел (кг) и коэффициенты жесткости ci пружин (Н/м). Прочерки в столбцах таблицы означают, что соответствующие тела или пружины в систему не входят (на чертеже эти тела и пружины не изображать); в результате в каждом конкретном варианте получается довольно простой механизм, содержащий три или даже два тела. Стержень 6 или 7 входит в состав механизма, когда в него входят оба тела, соединенные этим стержнем. В положениях, изображенных на рисунках, механизм находится в равновесии. Определить частоту и период малых колебаний системы около положения равновесия. Найти также, чему равно статическое удлинение (сжатие) пружины λст в положении равновесия. При подсчетах считать колеса 1 и 2 сплошными однородными цилиндрами радиусов R1 и R2 соответственно. Рассмотрим два примера решения этой задачи.
Решение Д12-26 (Рисунок Д12.2 условие 6 С.М Тарг 1989г)
- Продавец: Михаил_Перович
- Модель: 2141691
- Наличие: Есть в наличии
-
50р.





