Решение Д5-07 (Рисунок Д5.0 условие 7 С.М. Тарг 1989 г)
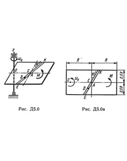
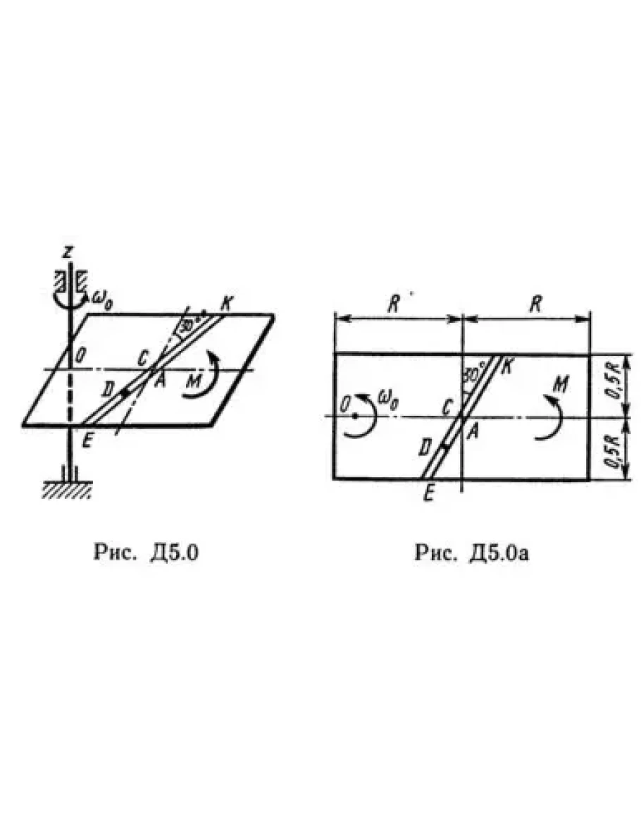
Однородная горизонтальная платформа (круглая радиуса R или прямоугольная со сторонами R и 2R, где R = 1,2 м) массой m1 = 24 кг вращается с угловой скоростью ω0 = 10 с-1 вокруг вертикальной оси z, отстоящей от центра масс C платформы на расстоянии OC = b (рис. Д5.0 —Д5.9, табл. Д5); размеры для всех прямоугольных платформ показаны на рис. Д5.0а (вид сверху). В момент времени t0 = 0 по желобу платформы начинает двигаться (под действием внутренних сил) груз D массой m2 = 8 кг по закону s = AD = F(t) где s выражено в метрах, t — в секундах. Одновременно на платформы начинает действовать пара сил с моментом М (задан в ньютонометрах; при М<0 его направление противоположно показанному на рисунках). Определить, пренебрегая массой вала, зависимость ω = f(t), т. е. угловую скорость платформы, как функцию времени. На всех рисунках груз D показан в положении, при котором s>0 (когда s<0, груз находится по другую сторону от точки А). Изображая чертеж решаемой задачи, провести ось z на заданном расстоянии OC = b от центра С.
Однородная горизонтальная платформа (круглая радиуса R или прямоугольная со сторонами R и 2R, где R = 1,2 м) массой m1 = 24 кг вращается с угловой скоростью ω0 = 10 с-1 вокруг вертикальной оси z, отстоящей от центра масс C платформы на расстоянии OC = b (рис. Д5.0 —Д5.9, табл. Д5); размеры для всех прямоугольных платформ показаны на рис. Д5.0а (вид сверху). В момент времени t0 = 0 по желобу платформы начинает двигаться (под действием внутренних сил) груз D массой m2 = 8 кг по закону s = AD = F(t) где s выражено в метрах, t — в секундах. Одновременно на платформы начинает действовать пара сил с моментом М (задан в ньютонометрах; при М<0 его направление противоположно показанному на рисунках). Определить, пренебрегая массой вала, зависимость ω = f(t), т. е. угловую скорость платформы, как функцию времени. На всех рисунках груз D показан в положении, при котором s>0 (когда s<0, груз находится по другую сторону от точки А). Изображая чертеж решаемой задачи, провести ось z на заданном расстоянии OC = b от центра С.
Решение Д5-07 (Рисунок Д5.0 условие 7 С.М. Тарг 1989 г)
- Продавец: Михаил_Перович
- Модель: 2139347
- Наличие: Есть в наличии
-
50р.






