Решение К3-22 (Рисунок К3.2 условие 2 С.М. Тарг 1988 г)
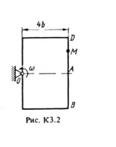
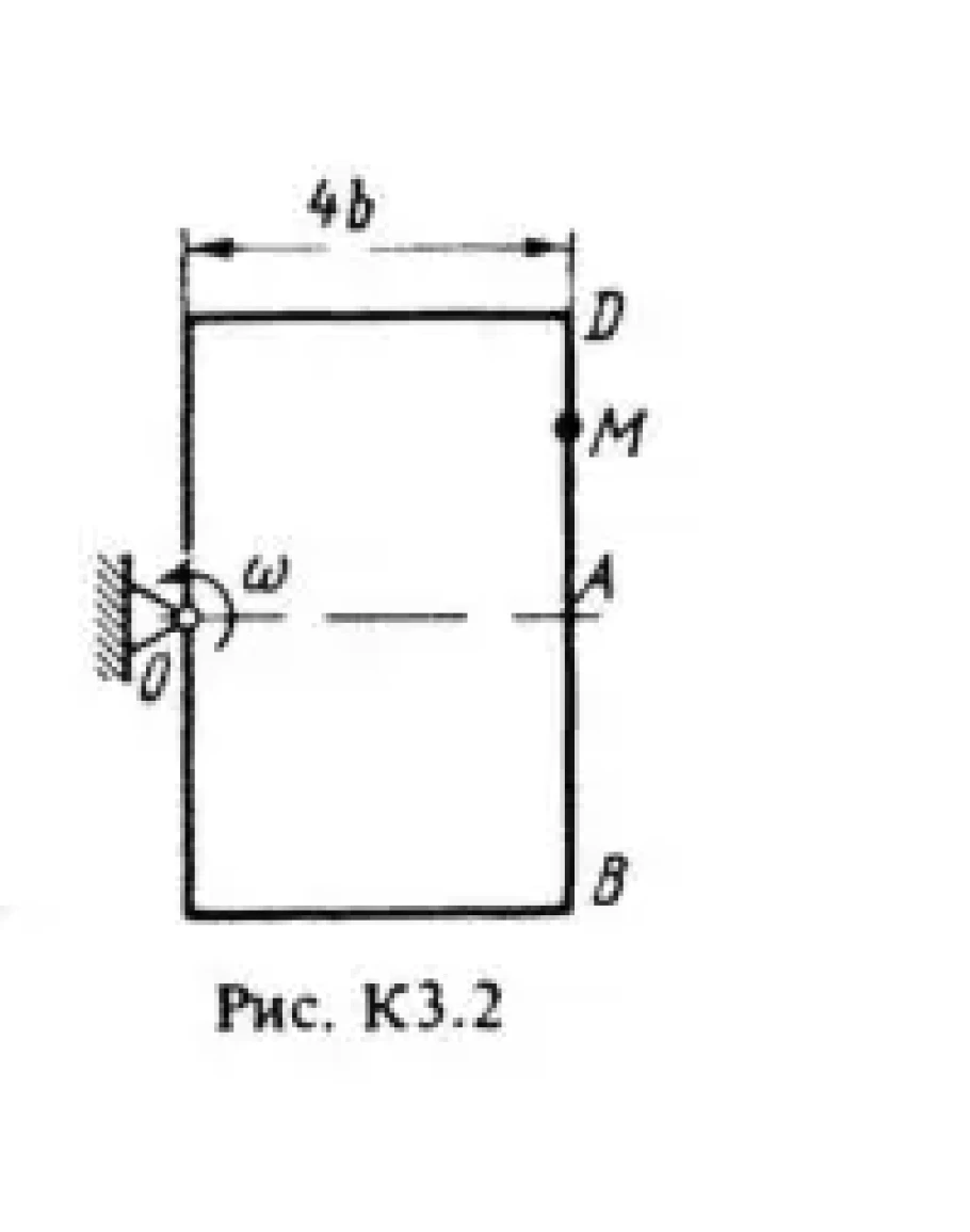
Прямоугольная пластина (рис. К3.0-К3.5) или круглая пластина радиусом R = 60 см (рис. К3.6-К3.9) вращается вокруг неподвижной оси с постоянной угловой скоростью ω, заданной в табл. К3 (при знаке минус направление ω противоположно показанному на рисунке). Ось вращения на рис. К3.0-К3.3 и К3.8, К3.9 перпендикулярна плоскости пластины и проходит через точку О (пластина вращается в своей плоскости); на рис. К3.4-К3.7 ось вращения ОО1 лежит в плоскости пластины (пластина вращается в пространстве). По пластине вдоль прямой BD (рис. К3.0-К3.5) или по окружности радиуса R, т. е. по ободу пластины (рис. К3.6-К3.9), движется точка М. Закон ее относительного движения, выражаемый уравнением s = AM = f(t) (s – в сантиметрах, t – в секундах), задан в табл. К3 отдельно для рис. К3.0-К3.5 и для рис. К3.6-К3.9,при этом на рис. 6-9 s = AM и отсчитывается по дуге окружности; там же даны размеры b и l. На всех рисунках точка М показаны в положении, при котором s = AM > 0 (при s < 0 точка М находится по другую сторону от точки A). Определить абсолютную скорость и абсолютное ускорение точки М в момент времени t1 = 1 с.
Прямоугольная пластина (рис. К3.0-К3.5) или круглая пластина радиусом R = 60 см (рис. К3.6-К3.9) вращается вокруг неподвижной оси с постоянной угловой скоростью ω, заданной в табл. К3 (при знаке минус направление ω противоположно показанному на рисунке). Ось вращения на рис. К3.0-К3.3 и К3.8, К3.9 перпендикулярна плоскости пластины и проходит через точку О (пластина вращается в своей плоскости); на рис. К3.4-К3.7 ось вращения ОО1 лежит в плоскости пластины (пластина вращается в пространстве). По пластине вдоль прямой BD (рис. К3.0-К3.5) или по окружности радиуса R, т. е. по ободу пластины (рис. К3.6-К3.9), движется точка М. Закон ее относительного движения, выражаемый уравнением s = AM = f(t) (s – в сантиметрах, t – в секундах), задан в табл. К3 отдельно для рис. К3.0-К3.5 и для рис. К3.6-К3.9,при этом на рис. 6-9 s = AM и отсчитывается по дуге окружности; там же даны размеры b и l. На всех рисунках точка М показаны в положении, при котором s = AM > 0 (при s < 0 точка М находится по другую сторону от точки A). Определить абсолютную скорость и абсолютное ускорение точки М в момент времени t1 = 1 с.
Решение К3-22 (Рисунок К3.2 условие 2 С.М. Тарг 1988 г)
- Продавец: Михаил_Перович
- Модель: 2136458
- Наличие: Есть в наличии
-
50р.





