12.2.2
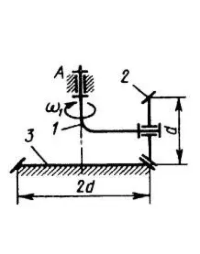
На изогнутой оси 1, которая вращается в шарнире А с угловой скоростью ω1= 6 рад/с, свободно вращается коническое зубчатое колесо 2. Последнее находится в зацеплении с неподвижным зубчатым колесом 3. Определить модуль абсолютной угловой скорости колеса 2. (Ответ 13,4)
На изогнутой оси 1, которая вращается в шарнире А с угловой скоростью ω1= 6 рад/с, свободно вращается коническое зубчатое колесо 2. Последнее находится в зацеплении с неподвижным зубчатым колесом 3. Определить модуль абсолютной угловой скорости колеса 2. (Ответ 13,4)
Решение задачи 12.2.2 из сборника Кепе О.Э.
- Продавец: Михаил_Перович
- Модель: 2332907
- Наличие: Есть в наличии
-
100р.




