14.2.13
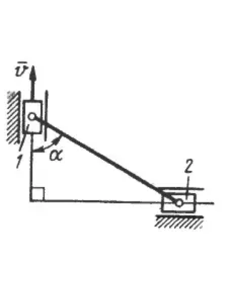
Определить модуль количества движения ползуна 2, масса которого m2 = 1 кг, в мо
мент времени, когда угол а = 60°, если ползун 1 движется со скоростью v = 2 м/с. (Ответ 1,15)
Определить модуль количества движения ползуна 2, масса которого m2 = 1 кг, в мо
мент времени, когда угол а = 60°, если ползун 1 движется со скоростью v = 2 м/с. (Ответ 1,15)
Решение задачи 14.2.13 из сборника Кепе О.Э.
- Продавец: Михаил_Перович
- Модель: 1803858
- Наличие: Есть в наличии
-
67р.




