16.1.13
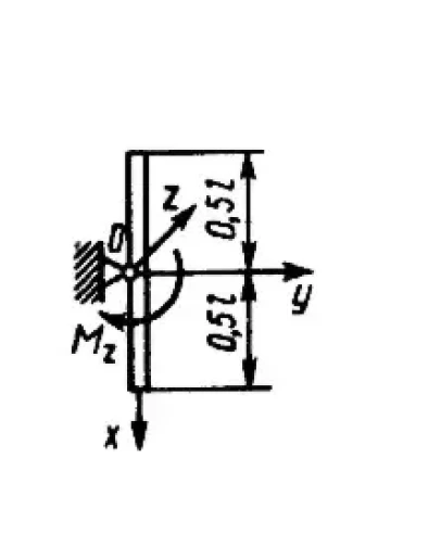
Определить угловое ускорение однородного стержня массой m = 4 кг и длиной l = 1 м,
вращающегося вокруг оси Oz, если к стержню приложен вращающий момент Mz = 3Н•м.
(Ответ 9)
Определить угловое ускорение однородного стержня массой m = 4 кг и длиной l = 1 м,
вращающегося вокруг оси Oz, если к стержню приложен вращающий момент Mz = 3Н•м.
(Ответ 9)
Решение задачи 16.1.13 из сборника Кепе О.Э.
- Продавец: Михаил_Перович
- Модель: 1804504
- Наличие: Есть в наличии
-
60р.




