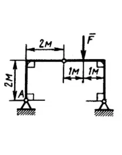
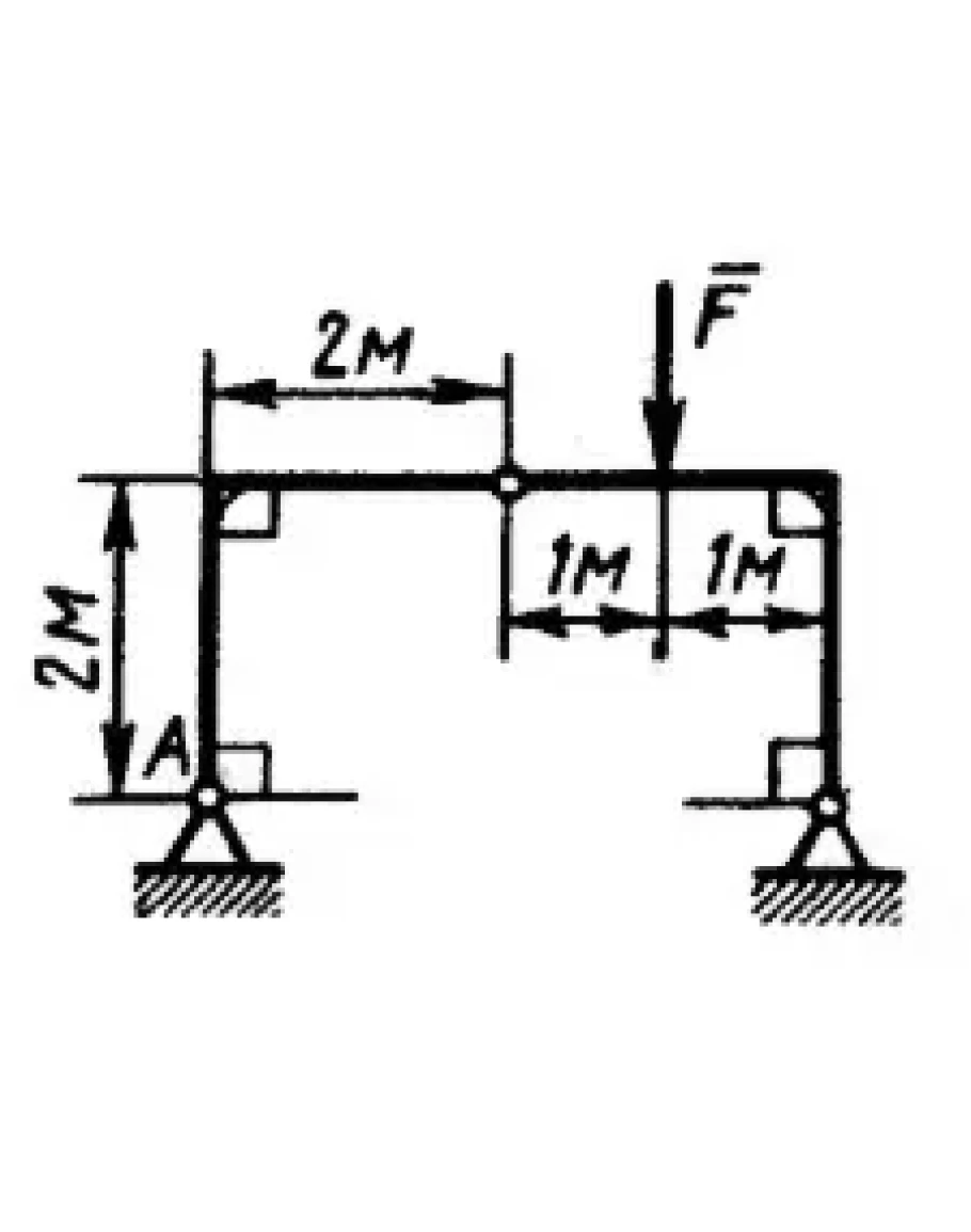
18.3.10
На первую часть трехшарнирной арки действует вертикальная сила F = 8 • 10Н Определить модуль вертикальной составляющей реакции шарнира А. (Ответ 2 • 103)
На первую часть трехшарнирной арки действует вертикальная сила F = 8 • 10Н Определить модуль вертикальной составляющей реакции шарнира А. (Ответ 2 • 103)
Решение задачи 18.3.10 из сборника Кепе О.Э.
- Продавец: Михаил_Перович
- Модель: 1804620
- Наличие: Есть в наличии
-
60р.




