2.4.29
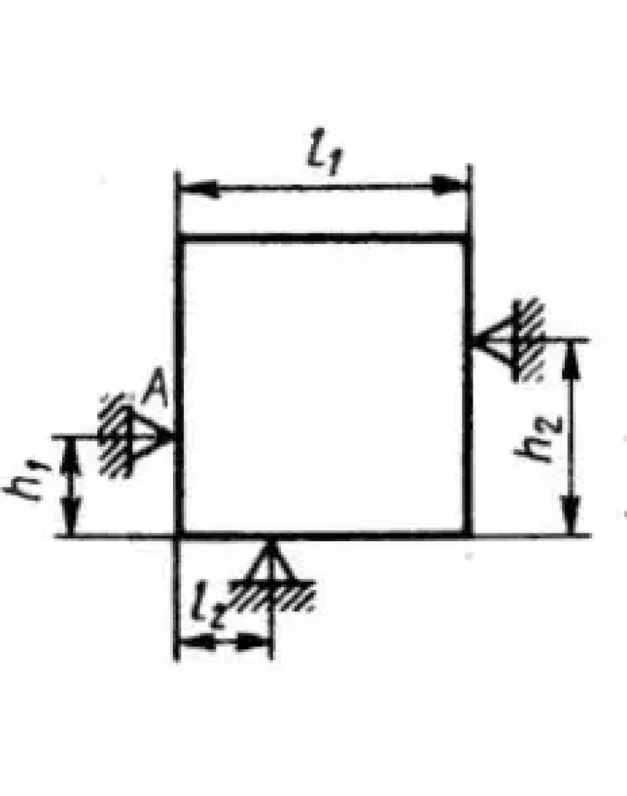
Однородная квадратная пластина весом 1H закреплена в вертикальной плоскости на трех опорах. Определить реакцию опоры A, если размеры l1 = 0,3 м. l2 = 0,1 м, h1 =0,1 м, h2 =0,2 м. (Ответ 0,50)
Однородная квадратная пластина весом 1H закреплена в вертикальной плоскости на трех опорах. Определить реакцию опоры A, если размеры l1 = 0,3 м. l2 = 0,1 м, h1 =0,1 м, h2 =0,2 м. (Ответ 0,50)
Решение задачи 2.4.29 из сборника Кепе О.Э.
- Продавец: Михаил_Перович
- Модель: 1802669
- Наличие: Есть в наличии
-
60р.




