22.3.10
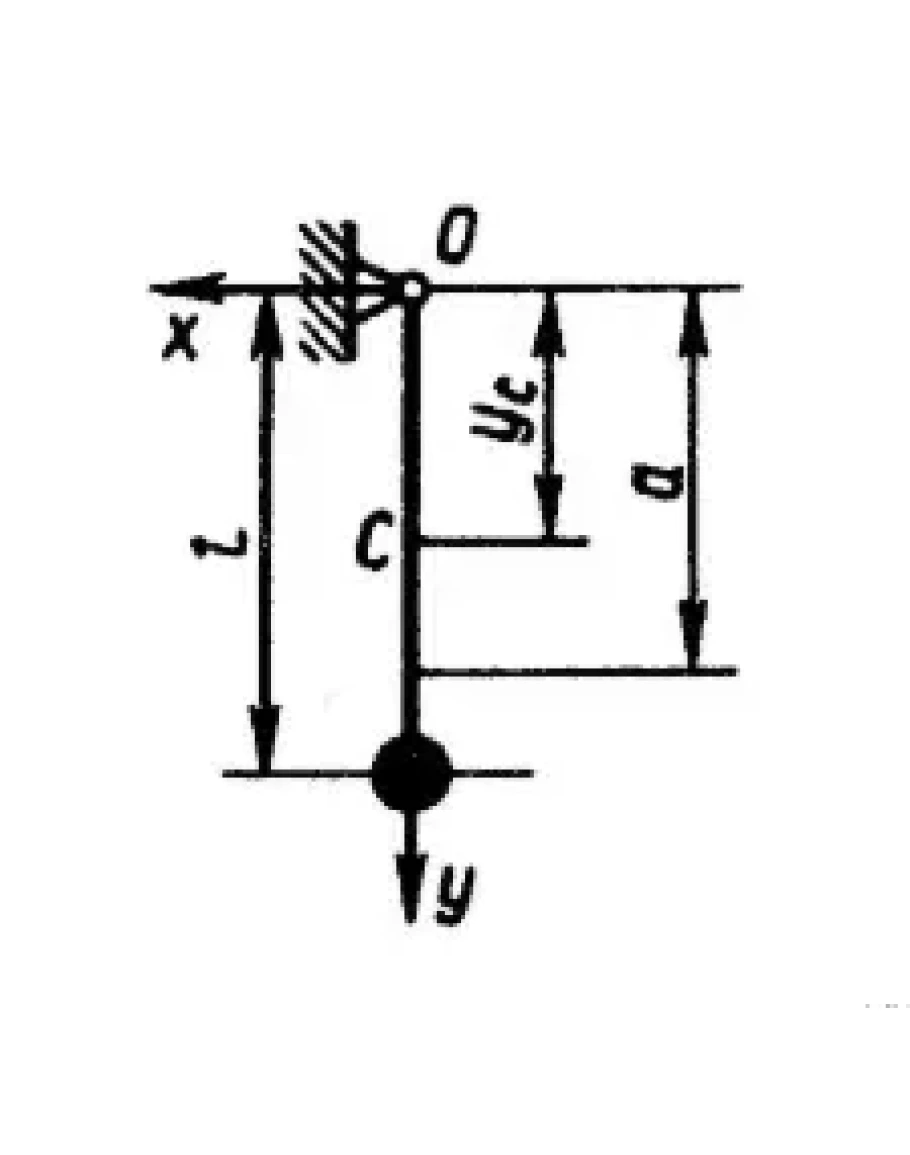
Найти расстояние а от центра удара до оси вращения О однородного стержня массой 0,8 кг и материальной точки массой 0,2 кг, закрепленной на конце стержня длиной l = 0,6 м. Расстояние от центра масс С до оси вращения ус = 0,36 м. Момент инерции IO = 0,168 кг • м2. (Ответ 0,467)
Найти расстояние а от центра удара до оси вращения О однородного стержня массой 0,8 кг и материальной точки массой 0,2 кг, закрепленной на конце стержня длиной l = 0,6 м. Расстояние от центра масс С до оси вращения ус = 0,36 м. Момент инерции IO = 0,168 кг • м2. (Ответ 0,467)
Решение задачи 22.3.10 из сборника Кепе О.Э.
- Продавец: Михаил_Перович
- Модель: 2028375
- Наличие: Есть в наличии
-
60р.




