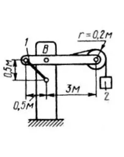
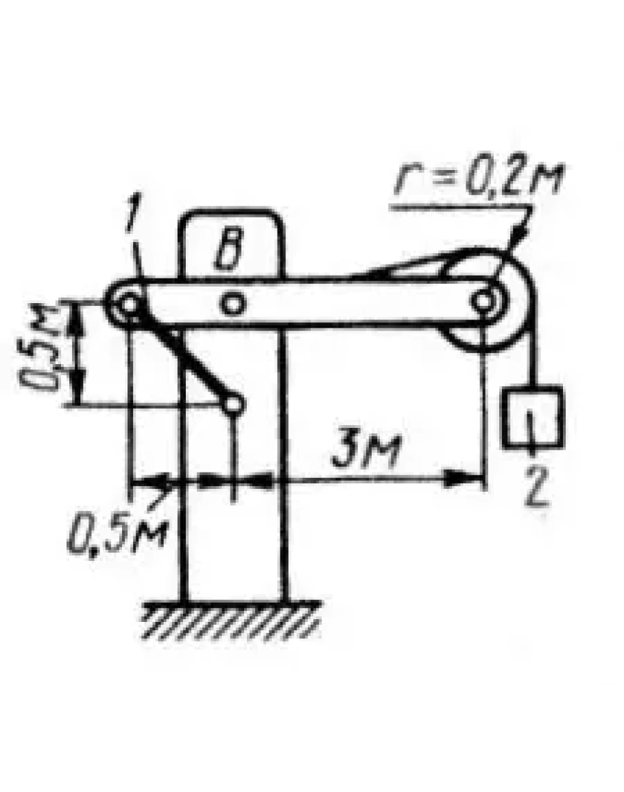
3.2.28
Определить усилие в стержне 1 в случае равновесия системы, если вес тела 2 равен 100Н. Весом остальных частей конструкции пренебречь. (Ответ 905)
Определить усилие в стержне 1 в случае равновесия системы, если вес тела 2 равен 100Н. Весом остальных частей конструкции пренебречь. (Ответ 905)
Решение задачи 3.2.28 из сборника Кепе О.Э.
- Продавец: Михаил_Перович
- Модель: 1803122
- Наличие: Есть в наличии
-
60р.




