5.2.15
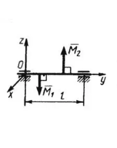
Вал нагружен парами сил с моментами M1= 260 Н·м и М2 = 325 Нм. Векторы М1 и М2 расположены в плоскости Oyz. Определить модуль реакции подшипника О, если размер l = 0,125 м. (Ответ 520)
Вал нагружен парами сил с моментами M1= 260 Н·м и М2 = 325 Нм. Векторы М1 и М2 расположены в плоскости Oyz. Определить модуль реакции подшипника О, если размер l = 0,125 м. (Ответ 520)
Решение задачи 5.2.15 из сборника Кепе О.Э.
- Продавец: Михаил_Перович
- Модель: 1803779
- Наличие: Есть в наличии
-
100р.




