6.3.6
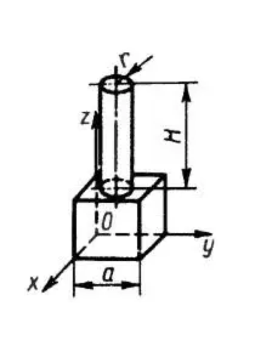
Определить статический момент относительно координатной плоскости Оху тела, состоящего из однородных куба и цилиндра, если размеры а = 0,4 м, r = 0,5 a, H = 2 а. (Ответ 9,32•10-2)
Определить статический момент относительно координатной плоскости Оху тела, состоящего из однородных куба и цилиндра, если размеры а = 0,4 м, r = 0,5 a, H = 2 а. (Ответ 9,32•10-2)
Решение задачи 6.3.6 из сборника Кепе О.Э.
- Продавец: Михаил_Перович
- Модель: 1813764
- Наличие: Есть в наличии
-
100р.




