8.3.3
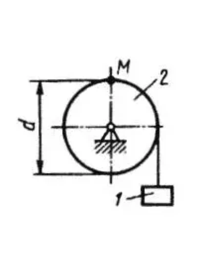
Груз 1 поднимается с помощью лебедки, барабан 2 которой вращается согласно закону ? = 5 + 2t3. Определить скорость точки М барабана в момент времени t = 1 с, если диаметр d = 0.6 м. (Ответ 1,8)
Груз 1 поднимается с помощью лебедки, барабан 2 которой вращается согласно закону ? = 5 + 2t3. Определить скорость точки М барабана в момент времени t = 1 с, если диаметр d = 0.6 м. (Ответ 1,8)
Решение задачи 8.3.3 из сборника Кепе О.Э.
- Продавец: Михаил_Перович
- Модель: 2080810
- Наличие: Есть в наличии
-
60р.




