Задача Д19-20.tif
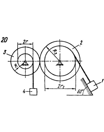
Для заданной механической системы определить ускорения грузов и натяжения в ветвях нитей, к которым прикреплены грузы. Массами нитей пренебречь. Трение качения и силы сопротивления в подшипниках не учитывать. Система движется из состояния покоя.
Варианты механических систем показаны на рис. 198 - 200, а необходимые для решения данные приведены в табл. 55.
Блоки и катки, для которых радиусы инерции в таблице не указаны, считать сплошными однородными цилиндрами.
Для заданной механической системы определить ускорения грузов и натяжения в ветвях нитей, к которым прикреплены грузы. Массами нитей пренебречь. Трение качения и силы сопротивления в подшипниках не учитывать. Система движется из состояния покоя.
Варианты механических систем показаны на рис. 198 - 200, а необходимые для решения данные приведены в табл. 55.
Блоки и катки, для которых радиусы инерции в таблице не указаны, считать сплошными однородными цилиндрами.
Решение задачи Д19-20 из сборника Яблонского А.А.
- Продавец: Михаил_Перович
- Модель: 2170923
- Наличие: Есть в наличии
-
15р.




